EasyManua.ls Logo

Ten-Tec RX-340 - Page 31

Ten-Tec RX-340
174 pages
Print Icon
To Next Page IconTo Next Page
To Next Page IconTo Next Page
To Previous Page IconTo Previous Page
To Previous Page IconTo Previous Page
Loading...
3-5
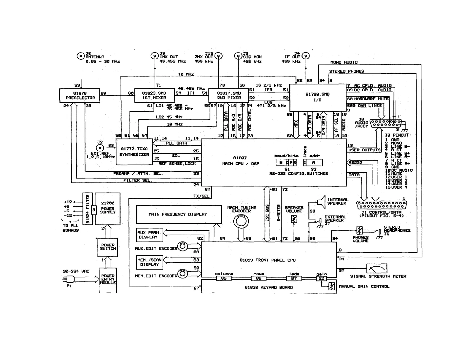
INTERCONNECT DIAGRAM
FIGURE 3-4

Related product manuals