EasyManua.ls Logo

Thermal Arc 175 SE ARC MASTER - Page 22

Thermal Arc 175 SE ARC MASTER
44 pages
Print Icon
To Next Page IconTo Next Page
To Next Page IconTo Next Page
To Previous Page IconTo Previous Page
To Previous Page IconTo Previous Page
Loading...
ARC MASTER 175 SE INSTALLATION
Manual # 0-5054 3-2 March 20, 2008
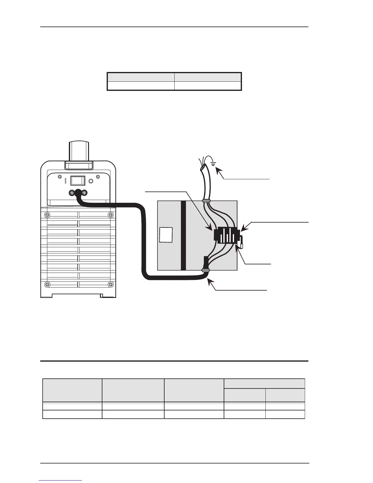
Refer to Figure 1:
1. Connect end of ground (GREEN or GREEN/YELLOW) conductor to a suitable ground. Use a grounding method that
complies with all applicable electrical codes.
2. Connect ends of line 1 (BLACK) and line 2 (WHITE) input conductors to a de-energized line disconnect switch.
3. Use Table 3-1 as a guide to select line fuses for the disconnect switch
Input Voltage Fuse Size
230V 40 Amps
Table 3-1: Electrical Connections1: Electrical Connections Electrical Connections
.
Fuse size is based on not more than 200 percent of the rated input amperage of the welding power source (Based on
Article 630, National Electrical Code).
Input Power
Each unit incorporates an INRUSH circuit. When the MAIN CIRCUIT SWITCH is turned on, the inrush circuit provides
pre-charging for the input capacitors. A relay in the Power Control Assembly (PCA) will turn on after the input capacitors
have charged to operating voltage (after approximately 5 seconds)
NOTE
Damage to the PCA could occur if 265 VAC or higher is applied to the Primary Power Cable.
Welding Power Supply
Figure 3-1: Electrical Input Connections
Table 3-2: Primary Supply Lead
Arc Master 175 SE 13 AWG (1.5mm² ) 230V/25A 175A@20% -
230V/40A - 175A@20%
Current & Duty Cycle
TIG STICK
Minimum Primary
Current Circuit Size
(Vin/Amps)
Model
Primary Supply Lead Size
(Factory Fitted)

Related product manuals