EasyManua.ls Logo

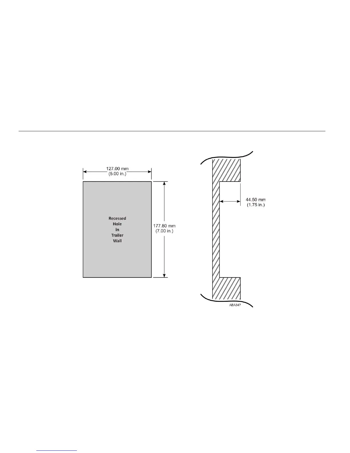
Thermo King HK-430 - Flush Mount Status Light Opening Dimensions (Option)

Thermo King HK-430
46 pages
Print Icon
To Next Page IconTo Next Page
To Next Page IconTo Next Page
To Previous Page IconTo Previous Page
To Previous Page IconTo Previous Page
Loading...
17
Flush Mount Status Light Opening Dimensions (Option)
NOTE: Dimensions shown will accommodate the Surface Mount Standard Display version only.

Related product manuals