EasyManua.ls Logo

Thermo LabSystems Multiskan RC - Page 170

Default Icon
314 pages
Print Icon
To Next Page IconTo Next Page
To Next Page IconTo Next Page
To Previous Page IconTo Previous Page
To Previous Page IconTo Previous Page
Loading...
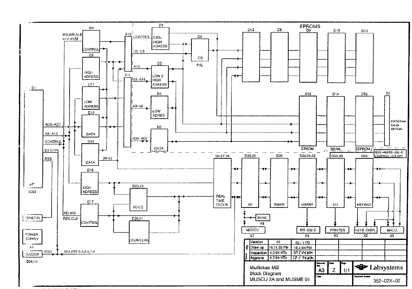
PAL
-
.
7F.
-
.
-
.
.
-
.
-
. . . .
-
.
.
.
. .
.
-
-
-II
)3
PY
Multiskan
MS
1 1
,,,
1-
~absvstems
I
rw
I
L
,
I,,
.
Block
Diagram
U
-u
MUSCU
2A
and
MUSME 01
352-02X-02
Artisan Technology Group - Quality Instrumentation ... Guaranteed | (888) 88-SOURCE | www.artisantg.com

Related product manuals