EasyManua.ls Logo

Thermor Riva 4 - The EXPERT menu; Parameters; Function Configuration; Information and Identification

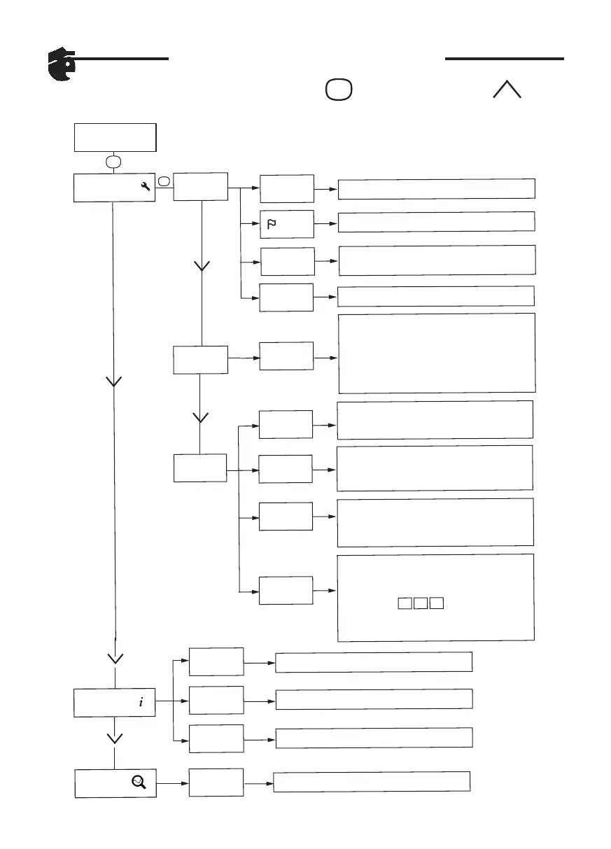
Thermor Riva 4
Print Icon
To Next Page IconTo Next Page
To Next Page IconTo Next Page
To Previous Page IconTo Previous Page
To Previous Page IconTo Previous Page
Loading...
28
Boost
To set the maximum boost time:
can range from 15 to 120 minutes for non-fan and 10
to 60 minutes for models with fan.
MENU
Backlight
To select whether to turn the backlight on or off
the display when the unit is idle
PARAMETERS
General
Sound
To activate or deactivate the key sound.
Language
To select the language.
Reset
General
To adjust the setpoint temperature to the
temperature recorded in the room if you notice a
difference after several hours' heating.
The calibration value is between -3° C below and +3°
C above the set temperature.
E.g.: if the room T° = 18°C and the set T° = 20°C,
select -2.0°.
Function config
T° calibration
Restrictions
Max temp.
Access contr.
To limit access to the commands.
You may choose total access, access to temperature
only or no access. In this last case, the unit's commands
are no longer accessible.
To record a maximum setpoint temperature which
may not be exceeded (between 22°C and 28°C, set by
default at 28°C).
PIN code
To activate the saving of an Expert Menu personal
access code or not.
Once activated, the Expert Menu access is coded.
You may note your personal code here
To deactivate it, go back to the Expert Menu, enter
your personal code and go back to Parameters =>
Restrictions => PIN code.
Information
Heating reg.
Identification
Version
Information about the appliance's power.
Appliance identication.
Version identication.
TEST
Main Body
Check operation of heating element.
To access the device’s advanced functions, press and at the same time
for over 3 seconds.
The EXPERT menu