EasyManua.ls Logo

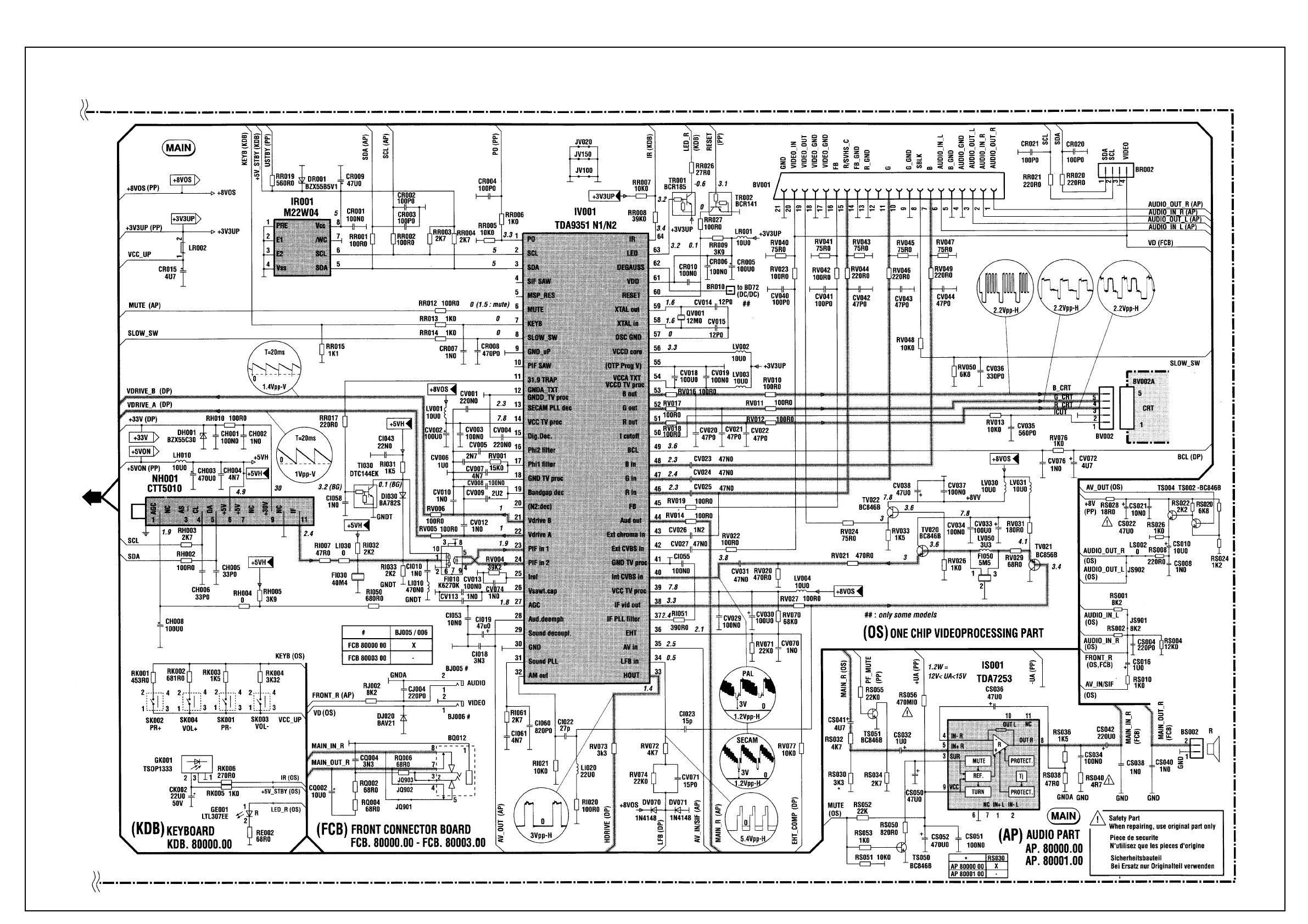
THOMSON TX807 C - Main Diagram TX807 C Mono Part 2; Video Processing Circuitry; Signal Input;Output

THOMSON TX807 C
8 pages
Print Icon
To Next Page IconTo Next Page
To Next Page IconTo Next Page
To Previous Page IconTo Previous Page
To Previous Page IconTo Previous Page
Loading...
THOMSON TX807 C/CS
Main Diagram (TX807 C Mono) 2 of 2

Related product manuals