EasyManua.ls Logo

THORENS PC 650 - Page 28

THORENS PC 650
44 pages
Print Icon
To Next Page IconTo Next Page
To Next Page IconTo Next Page
To Previous Page IconTo Previous Page
To Previous Page IconTo Previous Page
Loading...
$1305
St1302
St1301
$11303
Mute
VMS
=
St1304
REMOTE
CONTROL
BUCHSE/CONNECTOR
O6
91
93.
07
ej
ee
=
$1501
Fe
|
St
306
L
Cre
|
ee
nega
St
305
1c
101
TDA
1195,
StiSO4T
cl
|
ei
st1s02T
Logik
j
82381
Controt
Logic
Buy
C106
Js
cr33cte
TAtsot
22K
100,
:
Test
j
mate
,
vis
ee
Memory-Zahler
Memory
Counter
Fecr
]
sisoz__|
Fe
|
St
306R
;
Leistungssteuerung
|
|
Power
Control
4
Aufnahme
|-Sperre
Recor
-
inhibit
cio
!
2,24
a8
22K
|
maw.
|
D109
ING168
D108
ING168
a
i
POS.120¥
POS.100V
lonitor
q)
~’
:
&
+4
_
°
+
ci2t
j
47
7
R167
R168
m1
|
|
Sa
Se
100K
|
joo]
et
|
3
D106
|
al
R166
(]R
164
aa
He
47K
|
14,7K
|
POS.
220V
Ons
DONG
st
16
00
oie
|
Antriebsmotor
[~°—F—
7
[D118
.
Drive Motor
i
|
Sit02
:
250mAT
|
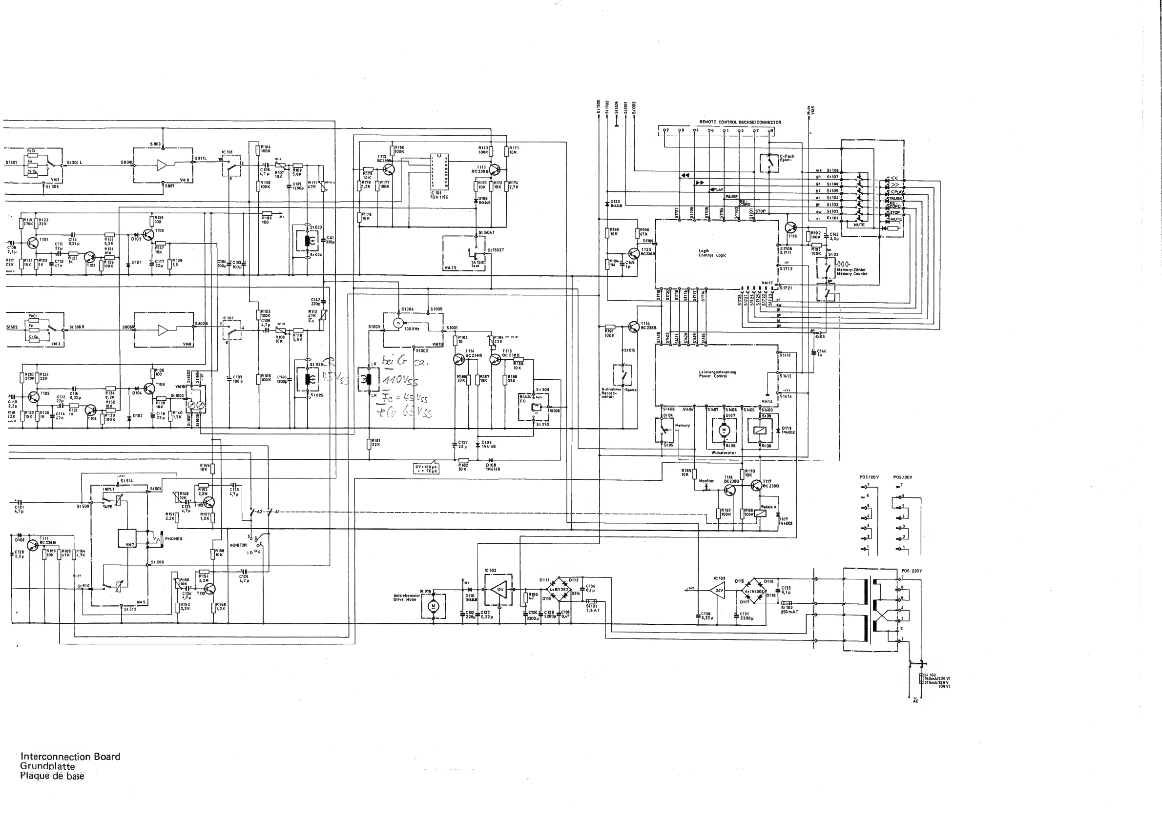
Interconnection
Board
Grundplatte
Plaque
de
base
BS
rr
a
ie
a
a
a
a
i