EasyManua.ls Logo

Tiger JD 5083E - Page 120

Tiger JD 5083E
182 pages
Print Icon
To Next Page IconTo Next Page
To Next Page IconTo Next Page
To Previous Page IconTo Previous Page
To Previous Page IconTo Previous Page
Loading...
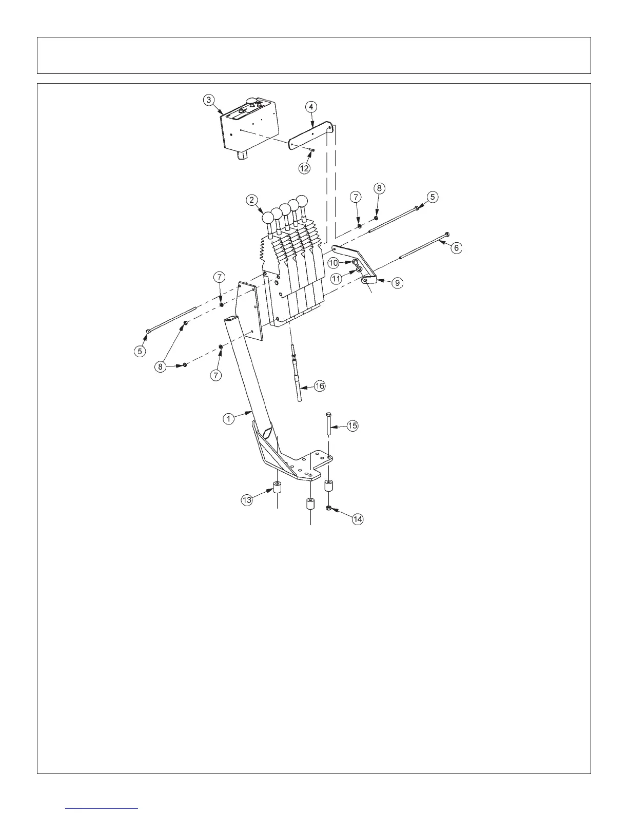
Parts Section 5-22
CABLE CONTROLS - SCV ONLY
ITEM PART NO. QTY. DESCRIPTION
1 23865B 1 CBL CTRL MT BRK,9030-FD40-JD60
2 6T1251 3 CBL CTRL BOX,180 DEG
3 06510100 1 SWITCHBOX,BOOM
4 34496 1 BRKT,SWITCHBOX,UNI
5 34332 1 CAPSCREW,1/4X9-1/4 NC
6 21548 1 CAPSCREW,1/4 X 9 NC
7 21986 3 LOCKWASHER,1/4
8 21525 3 HEX NUT,1/4 NC
9 06410230 1 SUPPORT,MNT,CNTRL BOX,JD5525
10 33534 1 CAPSCREW,10MMX20MM(1.5PITCH)
11 32724 1 FLATWASHER,10MM
12 6T3951 2 SCREW,MACHINE 8/32 X 1/2
13 27082B 3 SPACER
14 21627 3 NYLOCK NUT,3/8 NC
15 21636 3 CAPSCREW,3/8 X 2-1/2 NC
16 06505100 3 CBL,CNTRL,108

Related product manuals