EasyManua.ls Logo

Tiger JD 5083E - Page 152

Tiger JD 5083E
182 pages
Print Icon
To Next Page IconTo Next Page
To Next Page IconTo Next Page
To Previous Page IconTo Previous Page
To Previous Page IconTo Previous Page
Loading...
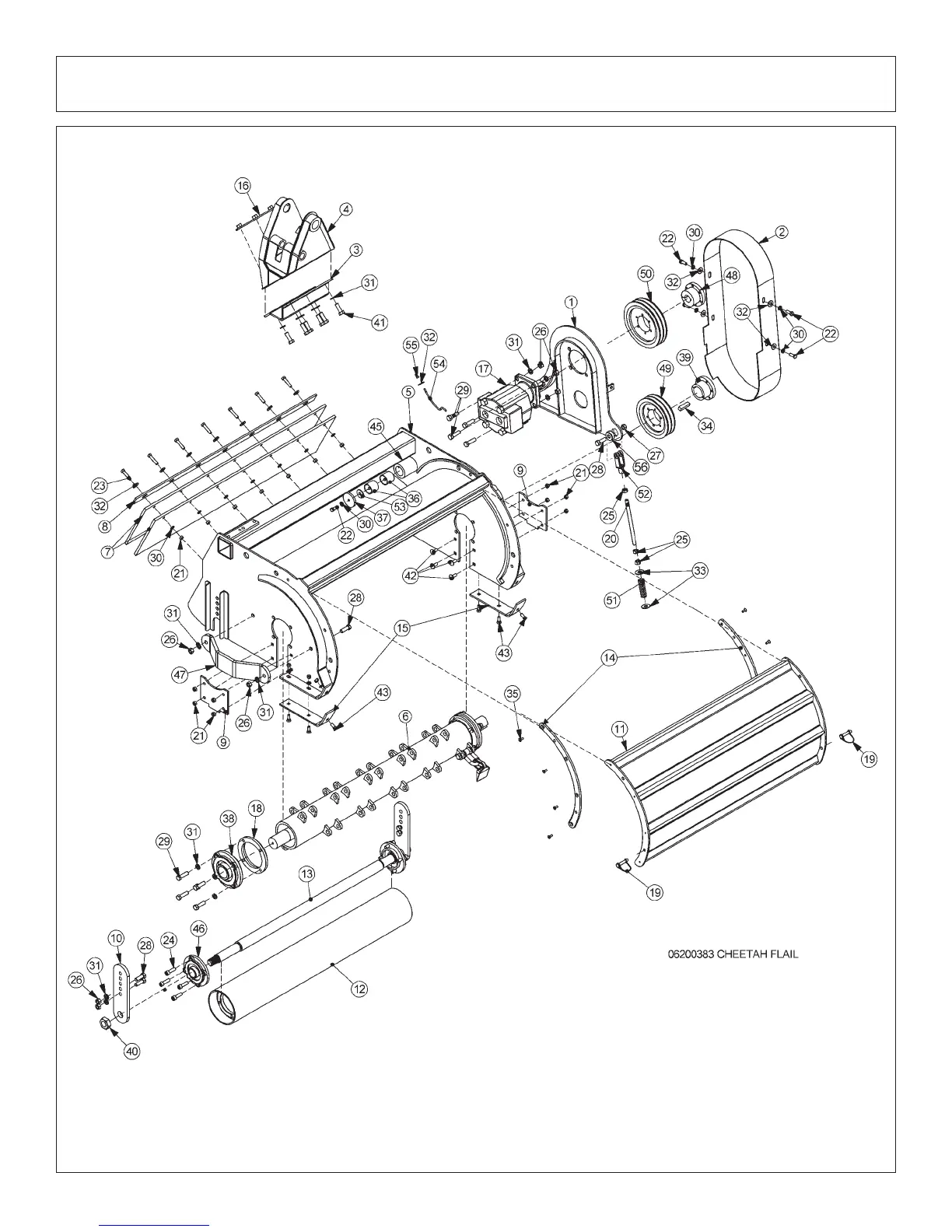
Cheetah Common Section 6-24
CHEETAH FLAIL HEAD ASSY.

Related product manuals