EasyManua.ls Logo

Tiger JOHN DEERE 5083E - 4 SPOOL CABLE CONTROL MOUNT - MID-MOUNT VALVE

Tiger JOHN DEERE 5083E
240 pages
Print Icon
To Next Page IconTo Next Page
To Next Page IconTo Next Page
To Previous Page IconTo Previous Page
To Previous Page IconTo Previous Page
Loading...
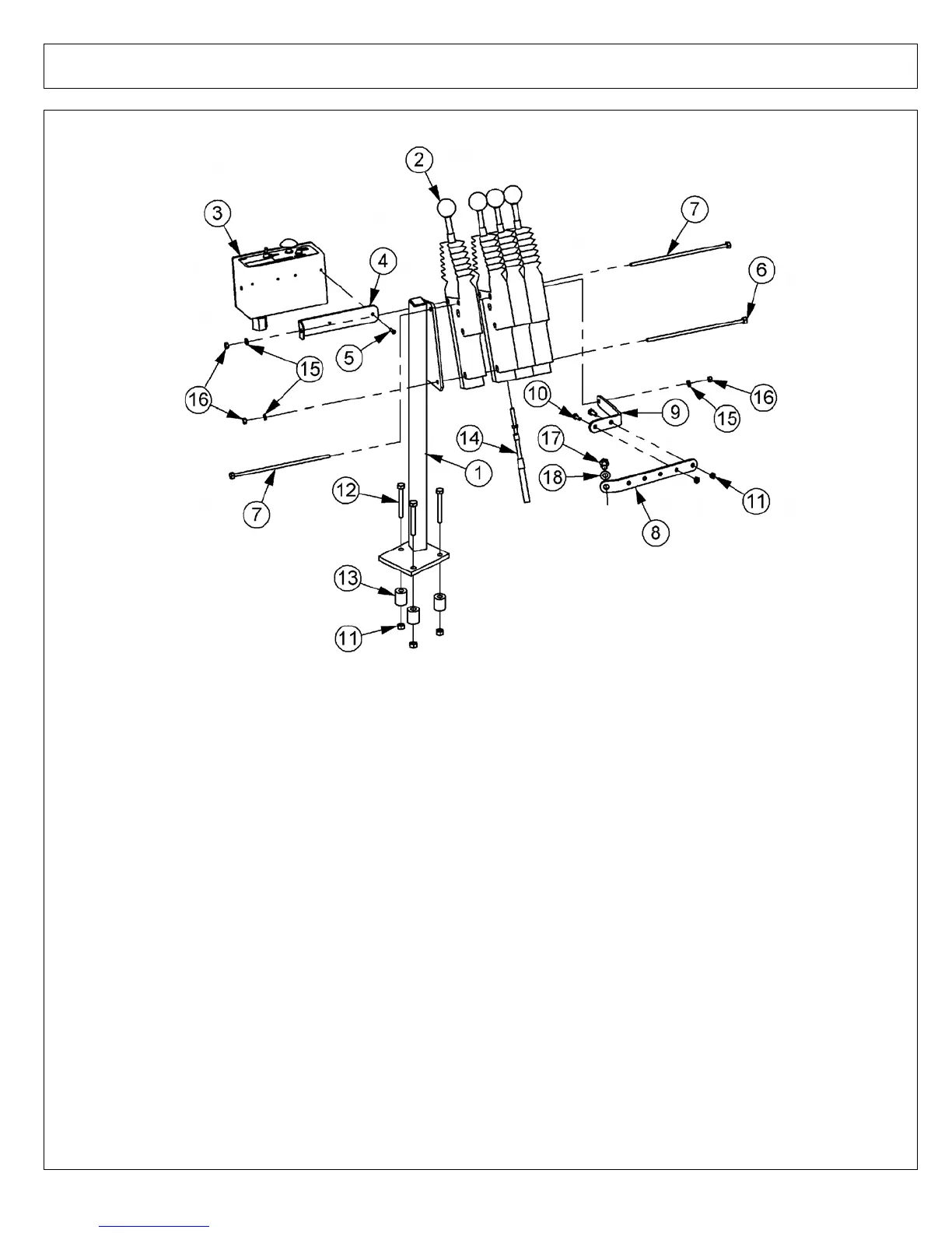
4 SPOOL CABLE CONTROL MOUNT - MID-MOUNT VALVE
ITEM PART NO. QTY. DESCRIPTION
1 31923 1 BRKT,CTRL,CBL
2 6T1251 4 CBL CTRL BOX,180 DEG
3 06510100 1 SWITCHBOX,BOOM
4 34496 1 BRKT,SWITCHBOX,UNI
5 6T3951 2 SCREW,MACHINE,8/32" X 1/2",NC
6 21546 1 CAPSCREW,1/4" X 7",NC
7 21547 2 CAPSCREW,1/4" X 8",NC
8 06410848 1 SUPPORT,1,CBL,CNTRL,5101E
9 06410849 1 SUPPORT,2,CBL,CNTRL,5101E
10 21629 3 CAPSCREW,3/8" X 3/4",NC
11 21627 5 NYLOCK NUT,3/8",NC
12 21636 3 CAPSCREW,3/8" X 2-1/2",NC
13 27082B 3 SPACER
14 34623 4 CBL,CNTRL,122
15 21986 3 LOCKWASHER,1/4"
16 21525 3 HEX NUT,1/4",NC
17 33534 1 CAPSCREW,10MM X 20MM,1.5P
18 32724 1 FLATWASHER,10MM
©2011 Alamo Group Inc. Parts Section 5-25
JD5101E LYNX

Table of Contents

Related product manuals