EasyManua.ls Logo

Tiger JOHN DEERE 5083E - Page 174

Tiger JOHN DEERE 5083E
240 pages
Print Icon
To Next Page IconTo Next Page
To Next Page IconTo Next Page
To Previous Page IconTo Previous Page
To Previous Page IconTo Previous Page
Loading...
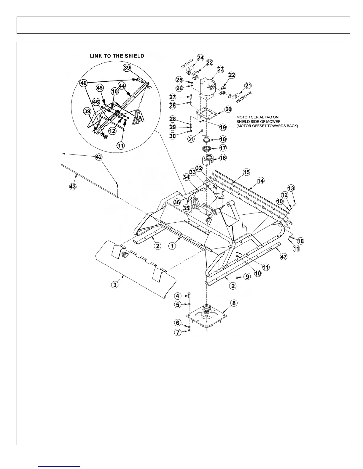
60IN ROTARY MOWER ASSEMBLY
ITEM PART NO. QTY. DESCRIPTION
1 06320159 1 DECK,WLDMNT,60" RTRY
2 33777 2 SKID SHOE,RTRY
3 06320162 1 SHIELD,60"RTRY
4 33879 6 CAPSCREW,3/4" X 2-1/4",NF,GR8
5 33880 6 FLATWASHER,3/4",GR8,SAE
6 21993 6 LOCKWASHER,3/4",GR8
7 6T2413 6 HEX NUT,3/4",NF,GR8
8 6T1024H5 1 SPINDLE ASSY,CPLT,HD,5/8" HOLES
©2011 Alamo Group Inc. Parts Section 6-12
COMMON LYNX

Table of Contents

Related product manuals