EasyManua.ls Logo

Tiger JOHN DEERE 5083E - Page 192

Tiger JOHN DEERE 5083E
240 pages
Print Icon
To Next Page IconTo Next Page
To Next Page IconTo Next Page
To Previous Page IconTo Previous Page
To Previous Page IconTo Previous Page
Loading...
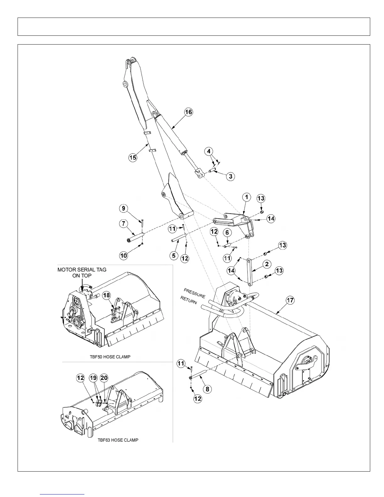
BOOM FLAIL PIVOT ASSEMBLY
©2011 Alamo Group Inc. Parts Section 6-30
COMMON LYNX

Table of Contents

Related product manuals