EasyManua.ls Logo

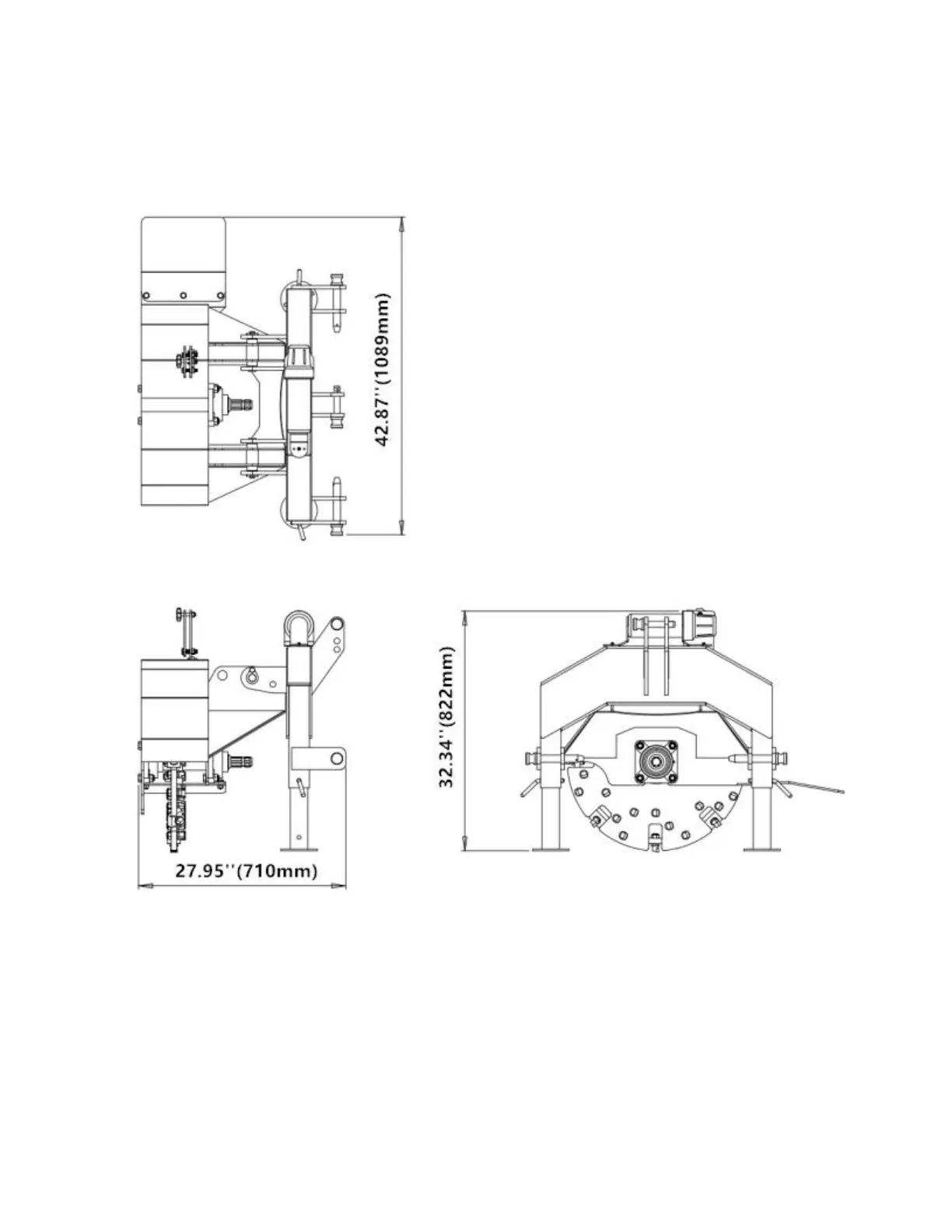
Timber Tuff Tools TMG-243PT - Overall Dimensions

Timber Tuff Tools TMG-243PT
26 pages
Print Icon
To Next Page IconTo Next Page
To Next Page IconTo Next Page
To Previous Page IconTo Previous Page
To Previous Page IconTo Previous Page
Loading...
Page
5
of 26
OVERALL DIMENSIONS