EasyManua.ls Logo

Toa A-903A - Front Panel Controls and Features; Front Panel Control Functions; Block Diagram

Toa A-903A
15 pages
Print Icon
To Next Page IconTo Next Page
To Next Page IconTo Next Page
To Previous Page IconTo Previous Page
To Previous Page IconTo Previous Page
Loading...
A-903A
A-906A, A-912A
Item
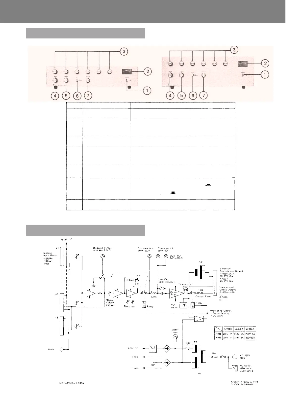
1
2
3
4
5
6
7
Name
POWER ON-OFF
SWITCH
METER
INPUT VOLUME
CONTROLS
BASS CONTROL
TREBLE CONTROL
TONE SWITCH
MASTER VOLUME
CONTROL
Function/Description
Applies line power. Two-position push button
switch for on-off modes.
Indicates the output level of the amplifier. At rated
output, it shows 0 VU (at continuous sine-wave
signal input).
When power is turned on, meter illuminates.
Adjust gain of INPUT #1 – #6 respectively.
Adjusts bass response.
Turn clockwise (CW) to boost and counterclockwise
(CCW) to attenuate the bass response. Tone is flat
at center.
Adjusts treble response.
Turn CW to boost and CCW to attenuate the treble
response. Tone is flat at center.
Adjusts overall gain of unit.
Selects IN/DEFEAT of the BASS and TREBLE
Controls. When this button is depressed (
), the
BASS and TREBLE Controls are active. (IN)
When pressed again (
), they become inactive to
make tone flat. (TONE DEFEAT)
— 1 —
Block Diagram
Front Panel Controls and Features
TOA NEW 900 SERIES

Related product manuals