EasyManua.ls Logo

Toa IP-300D - BLOCK DIAGRAM

Toa IP-300D
12 pages
Print Icon
To Next Page IconTo Next Page
To Next Page IconTo Next Page
To Previous Page IconTo Previous Page
To Previous Page IconTo Previous Page
Loading...
10
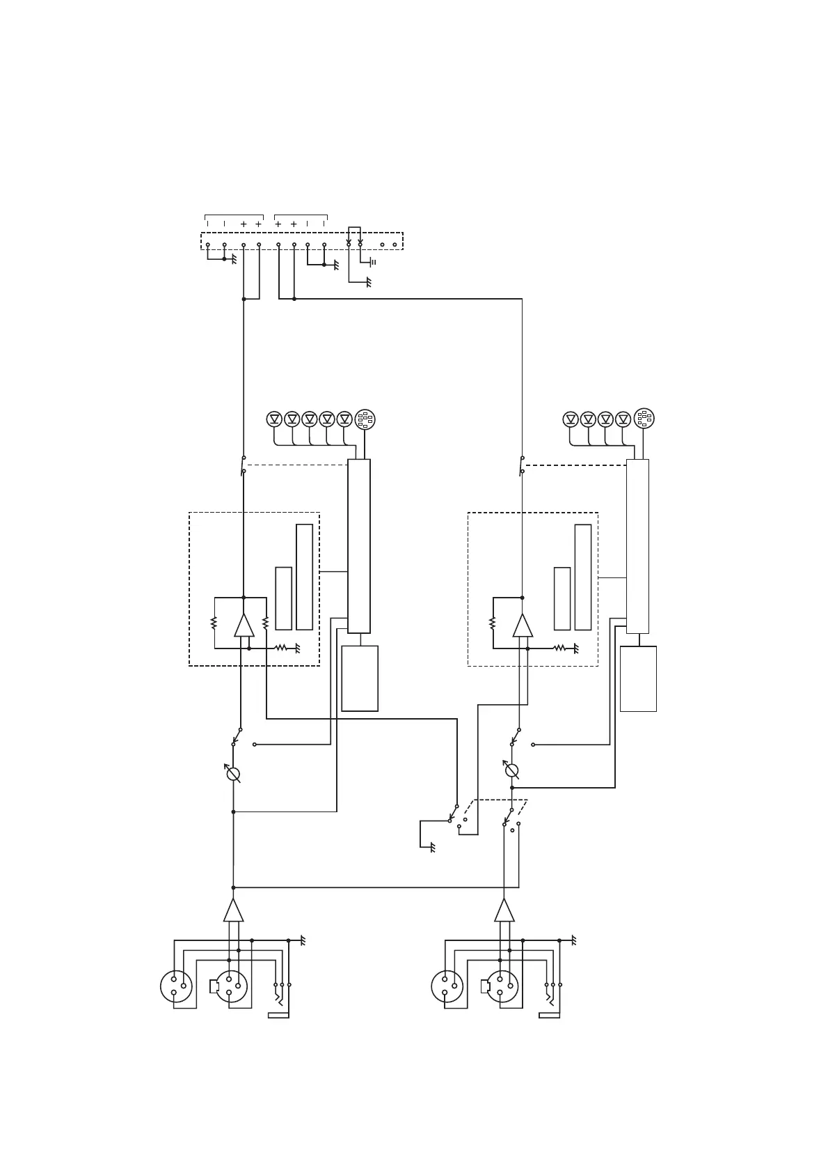
PROTECTION CIRCUIT
VI LIMITER
SHORT DETECTOR
PROTECTION CIRCUIT
HEAT SINK
TEMPERATURE
SENSOR
CH2 POWER AMP CIRCUIT
SIGNAL
PEAK
PROTECT
VR BYPASS
CONTROL I/O
HEAT SINK
TEMPERATURE
SENSOR
VI LIMITER
SHORT DETECTOR
CH1 POWER AMP CIRCUIT
POWER
SIGNAL
PEAK
PROTECT
VR BYPASS
CONTROL I/O
ATT
OFF
ON
ATT
OFF
ON
VR CONTROL
STEREO
PARALLEL
BTL
STEREO
PARALLEL
BTL
CH1 OUTPUT
CH2 OUTPUT
SG
FG
CHANNEL 1
CHANNEL 2
VR CONTROL
10. BLOCK DIAGRAM

Related product manuals