EasyManua.ls Logo

Toa TS-700 - Block Diagram

Toa TS-700
20 pages
Print Icon
To Next Page IconTo Next Page
To Next Page IconTo Next Page
To Previous Page IconTo Previous Page
To Previous Page IconTo Previous Page
Loading...
15
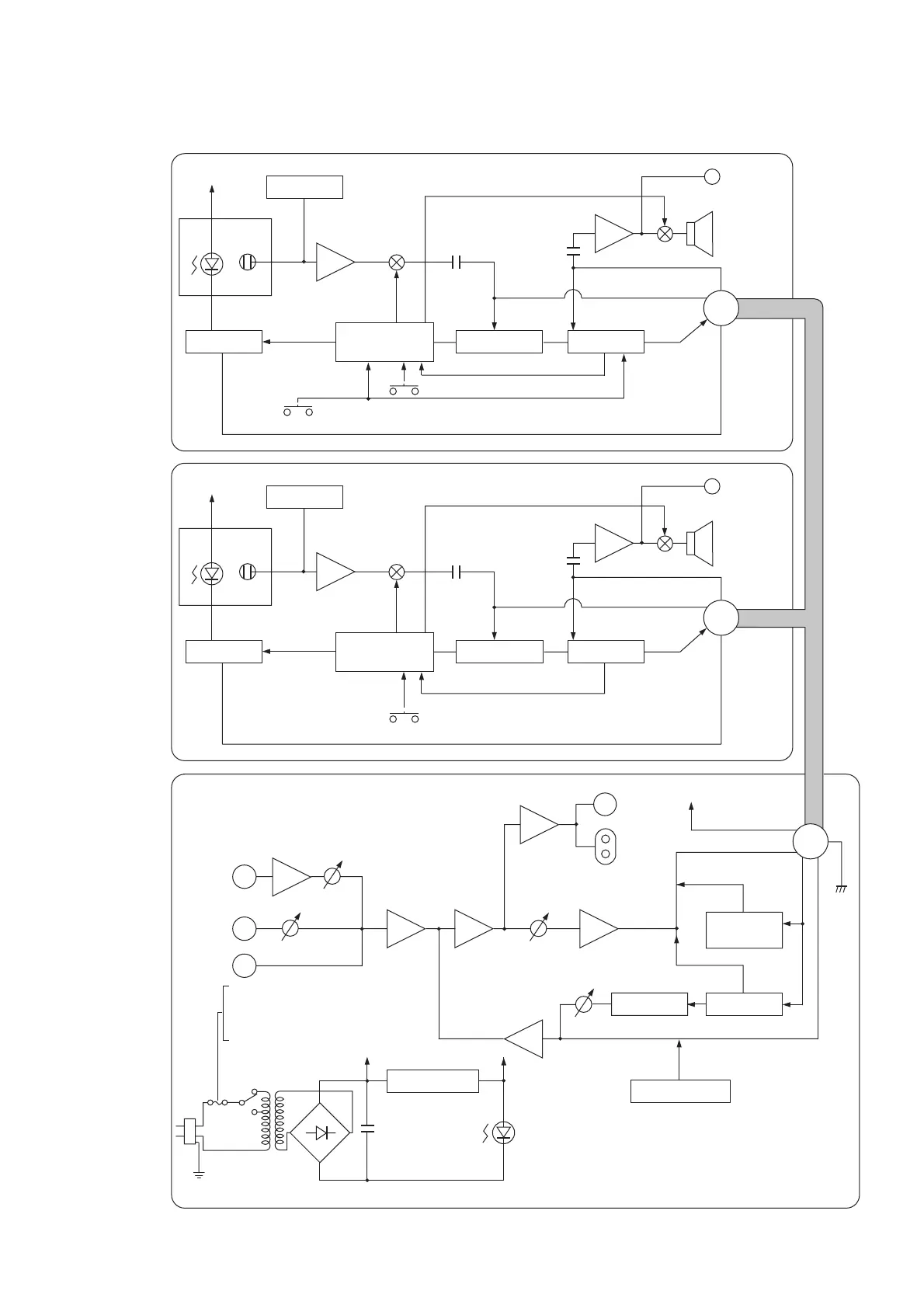
8. BLOCK DIAGRAM
35 V
Microphone U
Microphone U
Bias
Bias
LED control
LED control
Microphone control
Speaker control
Microphone control
Speaker control
Speech duration Priority control
Speech duration Priority control
DC controlDC control
DC controlDC control
Recording
Speaker
Priority switch
Talk switch
Talk switch
Priority control
Chime
Chairman unit
TS-701
Delegate unit
TS-702
Center amplifire
TS-700
Line
Recording
Speaker
Line
35 V
35 V
35 V
Speech duration
Number of
speakers
AUX1
AUX1
AUX2
Recording output
LINE
Regulator
CHIME
Lines 1 and 2
24 V
Power indicator
MIC
MIC
250 V T800 mA
(220 230 V operation)
125 V 2 A
(100 120 V operation)

Other manuals for Toa TS-700

Related product manuals