EasyManua.ls Logo

Toastmaster 1D3 - Section 4 - Parts List

Toastmaster 1D3
23 pages
Print Icon
To Next Page IconTo Next Page
To Next Page IconTo Next Page
To Previous Page IconTo Previous Page
To Previous Page IconTo Previous Page
Loading...
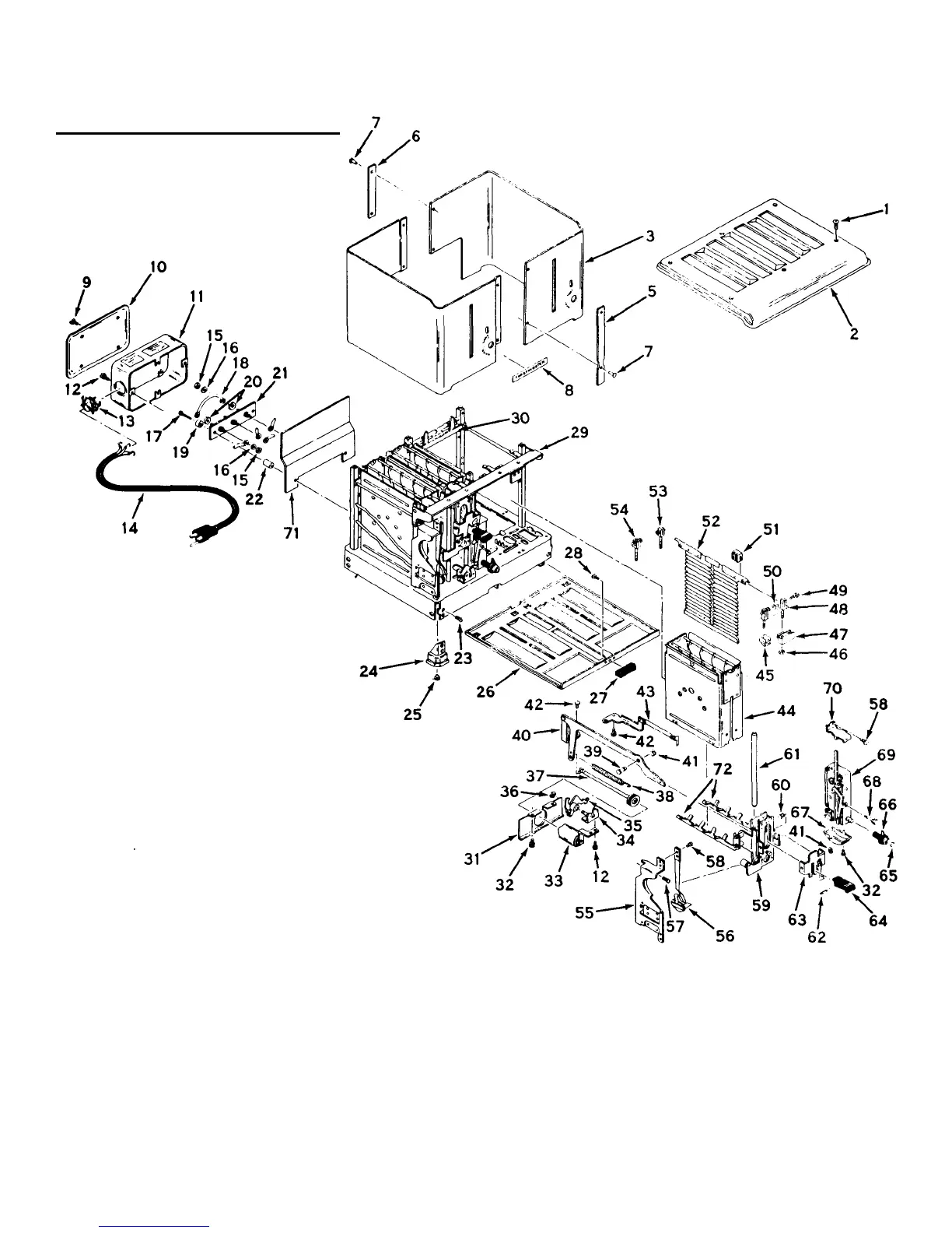
SECTION 4 - PARTS LIST
Figure 4-1
Overall Exploded Drawing
ITEM#
QTY
PART#
DESCRIPTION
1 6 K1DS136 MACHINE SCREW, #10-32 x 1/4", TRUSS HEAD
2 1 K1DC42 CASE TOP
3 1 K1D85A CASE ASSEMBLY, COMPLETE
5 1 K1DC10 FRONT CASE BINDER
6 1 K1DC11 REAR CASE BINDER
7 4 K1 DS201 RIVET, 0.141x1/4"
8 1 2400075 TOASTMASTER NAME PLATE
9
4
1B6S61
MACHINE SCREW,
#8
-
32
x
1/4",
TRUSS HEAD
MODEL
1
D3 with cord
& 1
D2
-
2 without cord
Four Slice Bread Toasters
14

Related product manuals