EasyManua.ls Logo

Toastmaster 1D3 - Page 17

Toastmaster 1D3
23 pages
Print Icon
To Next Page IconTo Next Page
To Next Page IconTo Next Page
To Previous Page IconTo Previous Page
To Previous Page IconTo Previous Page
Loading...
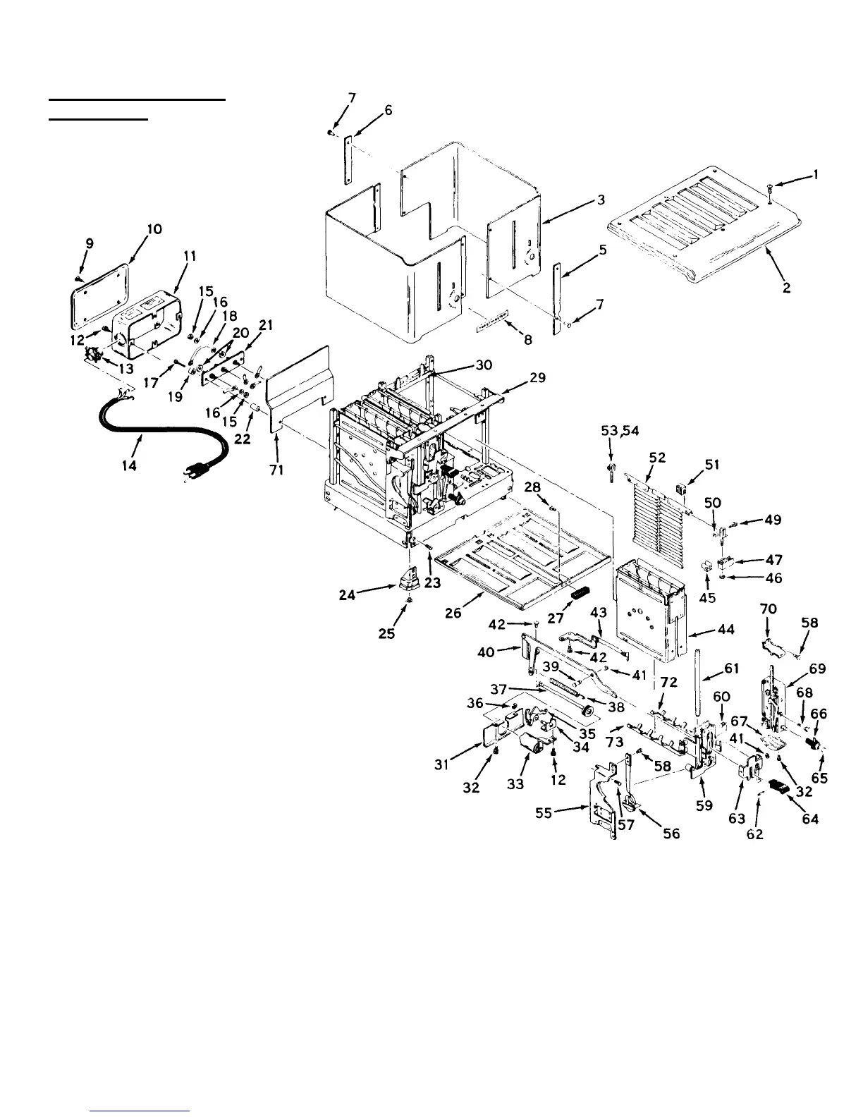
SECTION 4 - PARTS LIST
Parts List for Figure 4-2
Overall Exploded Drawing
ITEM QTY PART NO. DESCRIPTION
1 6 K1DS136 MACHINE SCREW, #10-32 x 1/4", TRUSS HEAD
2
1
K1DC34
CASE TOP, BUN
3
1
K1D85A
CAS
E ASSEMBLY, COMPLETE
5
1
K1DC10
FRONT CASE BINDER
6
1
K1DC11
REAR CASE BINDER
7
4
K1DS201
RIVET,
0.141
x
1/4"
8
1
2400075
TOASTMASTER NAMEPLATE
9
4
1B6S61
MACHINE SCREW,
#8
-
32
x
1/4",
TRUSS HEAD
MODEL 1D22B&1D3B
Bun Toaster
16

Related product manuals