EasyManua.ls Logo

Top Gin TG300 - APPENDIX 3 TYPICAL CONNECTION DIAGRAM

Default Icon
84 pages
Print Icon
To Next Page IconTo Next Page
To Next Page IconTo Next Page
To Previous Page IconTo Previous Page
To Previous Page IconTo Previous Page
Loading...
73
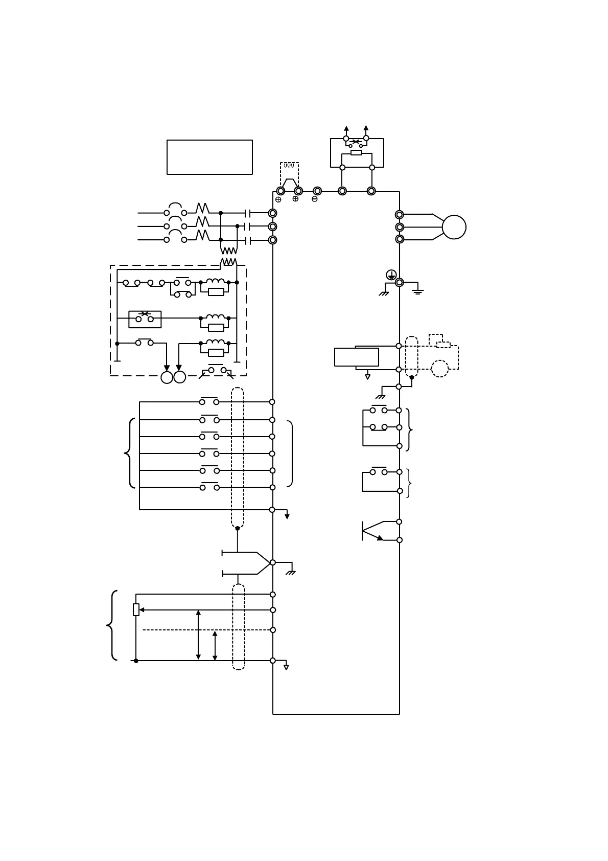
APPENDIX 3 TYPICAL CONNECTION DIAGRAM
3 .1 BRAKING RESISTOR UNIT
For models L15 to L100 (220V Class 0.75 to 7.5 kW),
Models H30 to H200 (440V Class 2.2 to 15 kW)
R
3-Phase
L1(R)
S
Power Supply
L2(S)
200 to 240V
345 to 480V
50/60 HZ
TL3(T)
MCCB
DC Reactor
(Option)
Motor
IM
Ground (200V Class100Ω or less
400V Class10Ω or less)
1 2
B1 B2
U(T1)
V(T2)
W(T3)
AM
AC
(G)
MA
MB
MC
M1
M2
Analog
Monitor
FM
-
+
Multi-function Analog Output 0
to +10V 2mA
(Output Frequency at Factory
Setting)
Multi-function Contact Output
250 VAC 1A or less
30 VDC 1A or less
(Fault Output Signal at Factory Setting)
Multi-function Contact Output
250 VAC 1A or less
30 VDC 1A or less
(Signal during Running at Factory Setting)
TG 250
TG 300
1
2
P
B
Breaking Resistor Unit
Overload Relay Trip Contact
Use sequencer break
power supply side on
overload relay trip
contact.
50/60 Hz
or
MC
Forward Run
when CLOSED
Multi-function
Contact input
Sequence Commom
Terminal (0V)
Shield Sheath
Connection Terminal
Freq. Setting Power
Supply +15V 20mA
Master Freq. Ref.
0 to 10V (20kΩ)
Master Freq. Ref.
4 to 20mA (250Ω)
[0 to 10V(20kΩ)input available]
Forward Run/Stop
Reverse Run/Stop
External Fault
Fault Reset
Multi-step Speed Setting 1
Multi-step Speed Setting 2
Factory
Setting
S1
S2
SC
S3
S4
S6
S5
G
FS
FV
FI
FC
0V
P
P
0V
4 to 20mA
0 to +10V
2kΩ
Master
Frequency
Reference
SA
MC
SA
TRX
TRX
Fault
Contact
20
18
MC
Overload Realay Trip Contact of
Breaking Resistor Unit
MC
12
SA
THRX
ON
OFFTHRX
* 400/200V
M4
M3
OPEN COLLECTOR OUTPUT
(ZERO SPEED SIGNAL)
(OPTION)
* The transformer is not necessary for 220V class.

Related product manuals