EasyManua.ls Logo

Topcon ISOBUS Artemis - Page 8

Topcon ISOBUS Artemis
37 pages
Print Icon
To Next Page IconTo Next Page
To Next Page IconTo Next Page
To Previous Page IconTo Previous Page
To Previous Page IconTo Previous Page
Loading...
ISOBUS ARTEMIS - SEED DRILL CONTROLLER
6
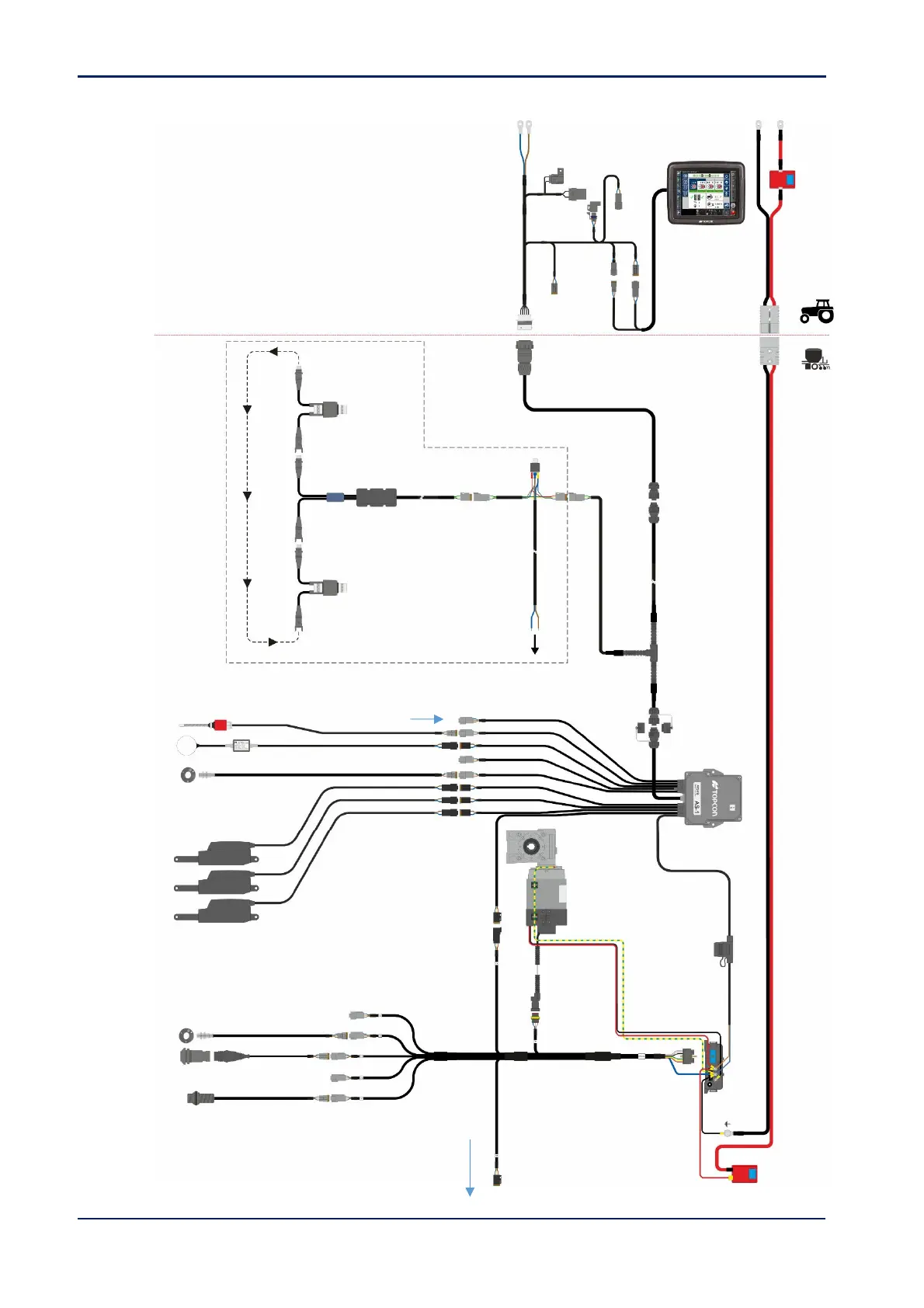
Figure 1: ISOBUS Artemis AS1 Control System
Power
Supply
AS1 ECU
Tramline
mechanisms
(existing)
TL Advance Switch
/
Forward
Speed sensor
Metering Drive
Gearmotor/Encoder
Fan Speed Sensor(s)
Hopper Level
Sensor(s)
Priming
Switch
Shaft Speed
(confirmation) Sensor(s)
Motor
Control
Module
(MCM-1)
ISOBUS
cable
Seed/Fert
Blockage Sensors
(optional)
ISOBUS compliant
terminal
Additional motors
(MCM
-
2, MCM
-
3, MCM
-
4)
Lower Switch
Cutout (optional)

Other manuals for Topcon ISOBUS Artemis

Related product manuals