EasyManua.ls Logo

Tork 209303A - Mounting Instructions

Tork 209303A
5 pages
Print Icon
To Previous Page IconTo Previous Page
To Previous Page IconTo Previous Page
Loading...
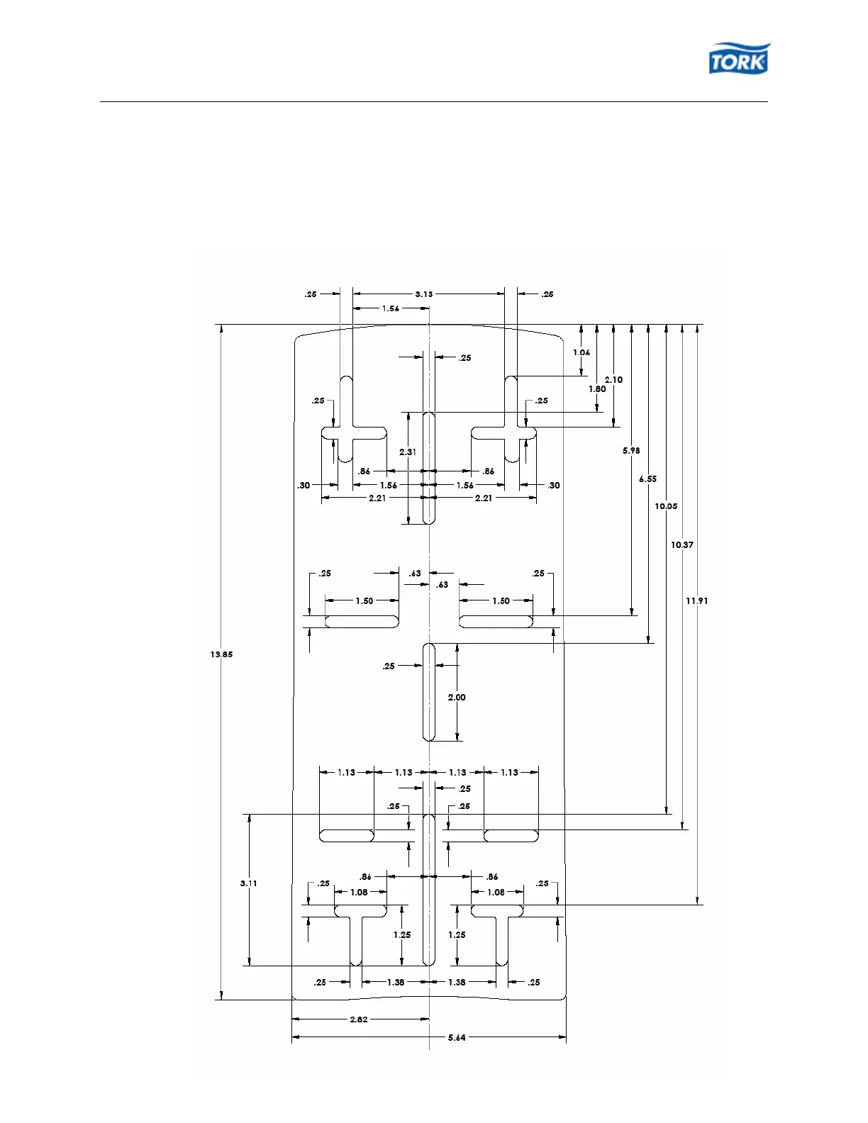
Washroom Dispenser Service and Parts Manual
Tork Bath Tissue Roll Dispenser
209303A, 209305A Revision Date: 2-17-10
209303A – 209305A Tork Bath Tissue Roll Dispenser
Mounting Instructions
5 of 5

Related product manuals