EasyManua.ls Logo

Toro 30789 - Electrical Schematic

Toro 30789
48 pages
Print Icon
To Next Page IconTo Next Page
To Next Page IconTo Next Page
To Previous Page IconTo Previous Page
To Previous Page IconTo Previous Page
Loading...
44
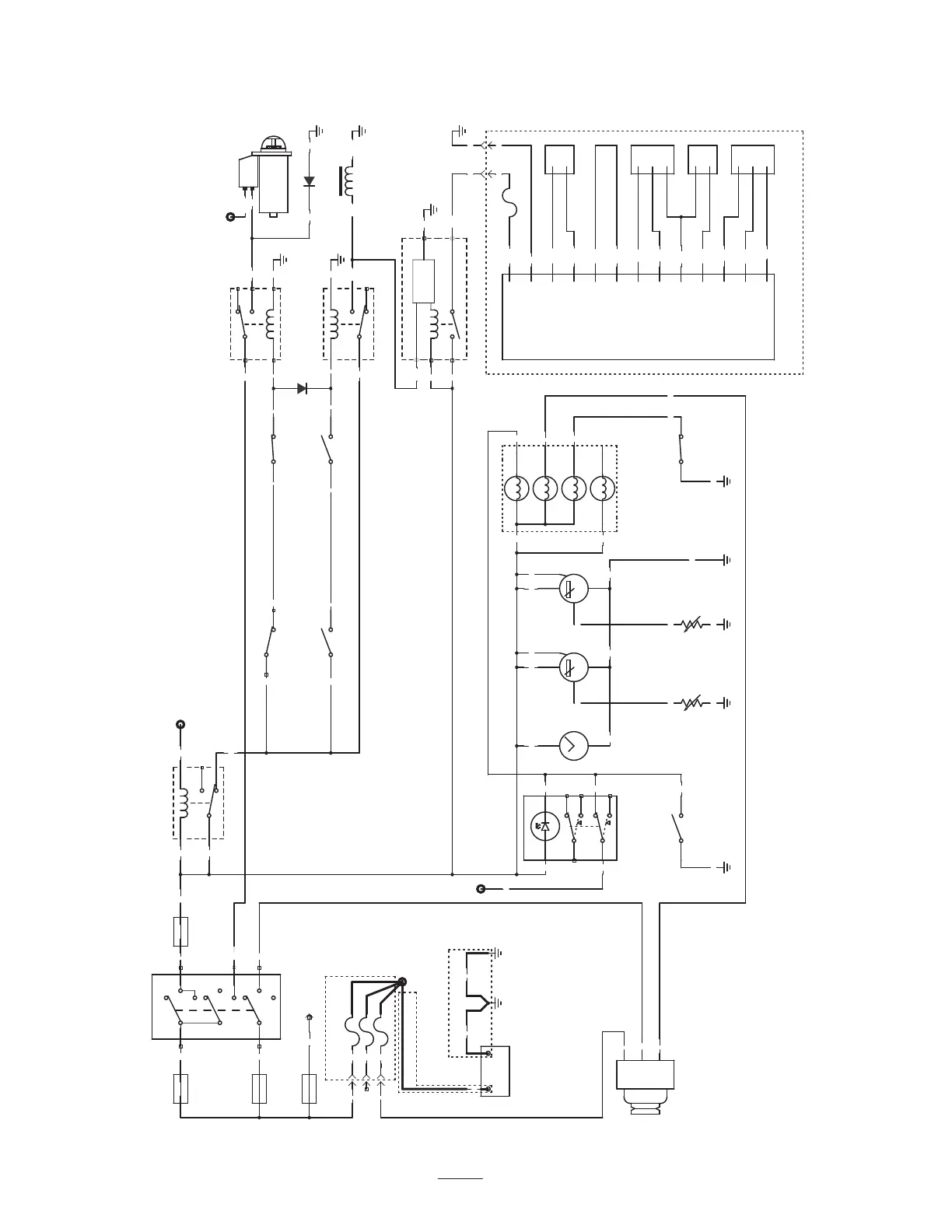
Electrical Schematic
BATTERY GROUNDGROUND
ENGINE FRAME
(+) (–)
B
L
ALTERNATOR
R
R
PK
W
ALL MAIN HARNESS GROUND POINTS
MARKED AS BLACK WIRE ARE
CONNECTED TOGETHER AND TO
THE ENGINE GROUND
VIO = VIOLET
R = REDR = RED
Y = YELLOW
W = WHITE
OR = ORANGE
PK = PINK
KEY TO WIRE COLORS
BR = BROWN
BK = BLACK GN = GREEN
GY = GRAY
BU = BLUE T = TAN
BN
ENGINE
ENGINE OVER TEMP.
(TEMPERATURE OK)
LBU = LIGHT BLUE
LGN = LIGHT GREEN
BK
PK
BN
BN
HIGHTEMP OVERRIDE
(OFF)
(MOMENTARY)
1
4
3
2
5
6
–7+8
GN
PK
(–)
HR
(+)
GN
Y BU
BK
L
PK PK
TEMP
I
G
S
FUEL
S
G
I
C
BK
PK
CLUSTER GAUGE
PK
PK
L
D
PK
BUY
TEMPERATURE
SENDER
FUEL
SENDER
ENGINE BK
BK
GY PK
F 2 7.5 A
S
START
VIO
A
X
Y
/ FUSE BLOCK
F 3 15 A
OPTIONAL LIGHT
BU
FUSIBLE LINK HARNESS
TIE POINT
B+
ON STARTERPOSITIVE BATTERY CABLE
R
R
BB
NEGATIVE BATTERY CABLE
R
FL1
FL2
FL3
BK
GY
GY
N.C.
MAIN HARNESS
F 1
15 A
BI
OR
F 4
RUN
OFF
Y
7.5 A
PK PK
TO HIGH TEMP OVERRIDE SWITCH
GN
PK
OR
30
85
87
86
87a
OVER TEMP SHUT DOWN
OR
PTO SWITCH
(OFF)
(CONNECTED TO GROUND ON OVER TEMP CONDITION)
GN
TO OVER TEMP
SHUTDOWN RELAY
OR
(OFF)
SEAT SWITCH
Y
(ON)
30
85
87
86
87a
OR
RUN ENABLE
CONTROL
R/BK
3
4
PK
PK
NEUTRAL SWITCH
(NEUTRAL) START ENABLE
30
86
VIO
GN Y Y
LOGIC
DIODE
(D2)
Y
PARKING BRAKE SWITCH
WW
87a
87
85
Start
B+
STARTER
BU
BK
BU
GY+BK
PROTECTION
BU BK
B+ TO FUSIBLE LINK HARN
E
DIODE (D1)
BK
R/BK ENGINE
FUEL SOLENOID
R/BK
OFF DELAY
0.5 SECOND
R/BK
BK
1
2
IGNITION DELAY MODULE
BKR/BK
OIL PRESSURE SWITCH
ENGINE
(LOW PRESSURE)
GY
W
IGNITION CONTROL
MODULE
COOLANT TEMP
SPARK 1&4
SPARK COM
SPARK 2&3
SENSOR COM
A
BN
B
GY
E
GLOW
OIL
PRES
OVER
TEMP
ALT
F
W
SPARK RETARD B
SPARK RETARD A
FORD ENGINE HARNESS
R/LGN
CRANK POSITION SENSOR
POWER
GROUND
11
10
BK
VRS+
VRS–
23
22
W/LBU
LGNW
7
8
Y/LGN
Y/LGN
MAP A16
BR/W
FUSE – 7.5 A
R/LGN BK
MAP SENSOR
MAP B17
G/BK
GN/R
9
LGN/R
18 TEMP SENSOR
IGNITION COIL
6
4
3
Y/BK
R/LGN
Y/W

Table of Contents

Related product manuals