EasyManua.ls Logo

Toro 30868 - Page 52

Toro 30868
56 pages
Print Icon
To Next Page IconTo Next Page
To Next Page IconTo Next Page
To Previous Page IconTo Previous Page
To Previous Page IconTo Previous Page
Loading...
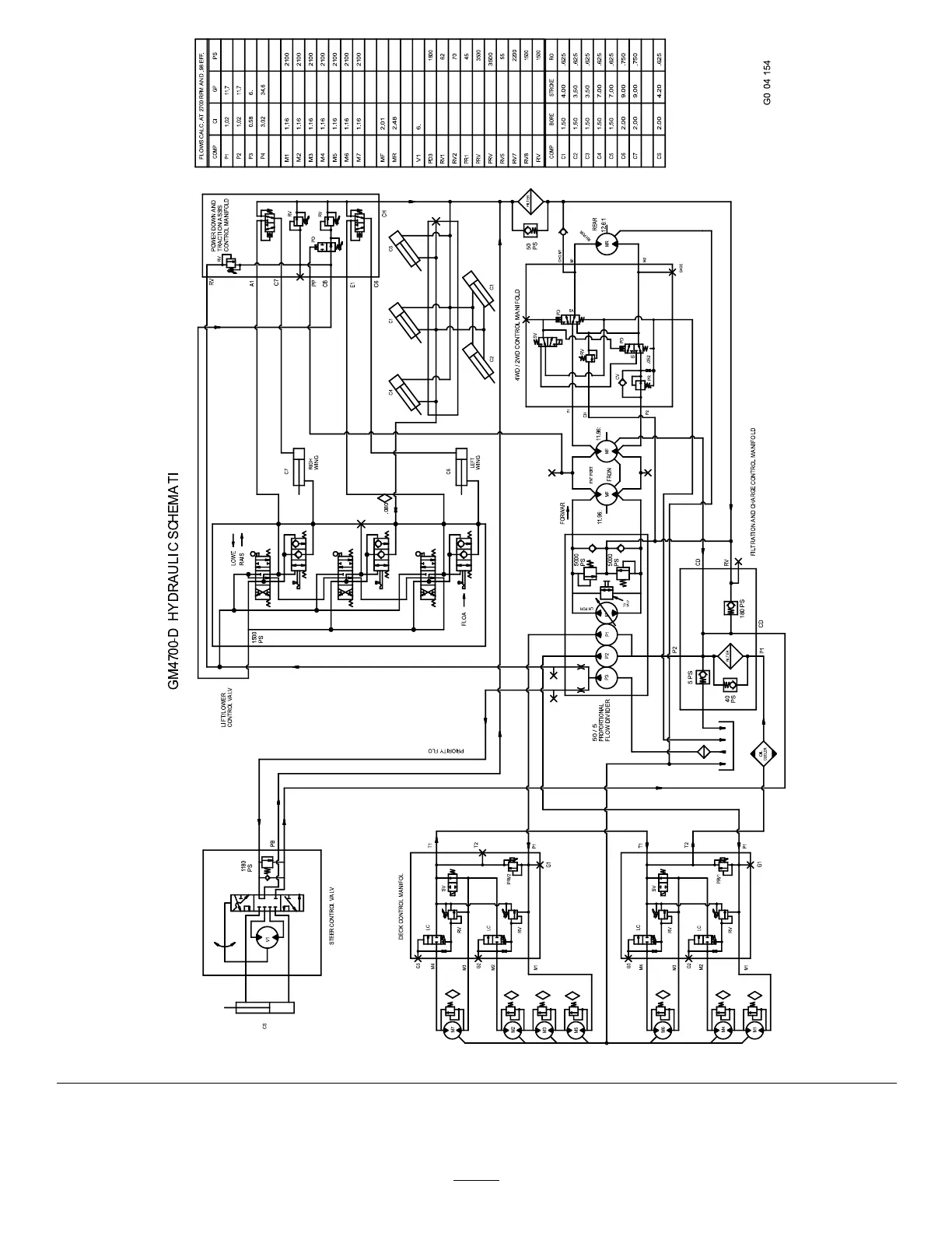
HydraulicSchematic(Rev.E)
52

Table of Contents

Other manuals for Toro 30868

Related product manuals