EasyManua.ls Logo

Toro 31050 - Fuel System Maintenance; Priming the Fuel System; Bleeding the Fuel-Injection Pump; Draining Water from the Fuel;Water Separator

Toro 31050
92 pages
Print Icon
To Next Page IconTo Next Page
To Next Page IconTo Next Page
To Previous Page IconTo Previous Page
To Previous Page IconTo Previous Page
Loading...
FuelSystem
Maintenance
Note:RefertoAddingFuel(page24)forproperthe
fuelrecommendations.
DANGER
Undercertainconditions,dieselfuelandfuel
vaporsarehighlyammableandexplosive.A
reorexplosionfromfuelcanburnyouand
othersandcancausepropertydamage.
Neversmokewhenhandlingfuel,andstay
awayfromanopenameorwhereaspark
mayignitefuelfumes.
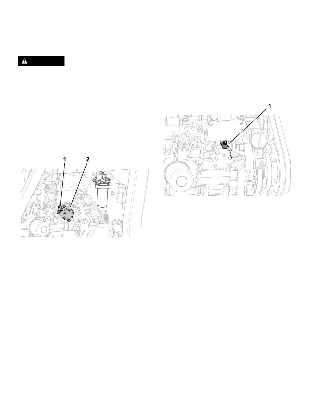
PrimingtheFuelSystem
Attheleftsideoftheengine,operatetheleverofthe
fuelpumpuntilyoullthefuel-lterbowl(Figure64).
g215557
Figure64
1.Lever2.Fuelpump
BleedingtheFuel-Injection
Pump
1.Parkthemachineonalevelsurface.
2.Engagetheparkingbrake.
3.Ensurethatthefueltankisatleasthalffull.
4.Unlatchtheradiator;refertoAccessingthe
EnginefromtheRightside(page49).
5.Placeadrainpanundertheair-bleedscrew.
6.Opentheair-bleedscrewonthefuel-injection
pump(Figure65).
g215134
Figure65
1.Air-bleedscrew
7.Operatetheleverofthefuelpumpuntilyousee
solidstreamoffuelowsoutaroundthescrew;
refertoFigure64inPrimingtheFuelSystem
(page53).
8.Tightentheair-bleedscrew(Figure65).
Note:Theengineshouldstartafteryouperform
thisprocedure.However,iftheenginedoesnot
start,airmaybetrappedbetweentheinjection
pumpandtheinjectors.Contactyourauthorized
Torodistributor.
9.Wipecleananyfuelthathasaccumulated
aroundtheinjectionpump.
DrainingWaterfromthe
Fuel/WaterSeparator
ServiceInterval:Every50hours
53

Table of Contents

Other manuals for Toro 31050

Related product manuals