EasyManua.ls Logo

Toro 72047 - Wiring Diagram; Electrical System Wiring Diagram; Troubleshooting

Toro 72047
44 pages
Print Icon
To Next Page IconTo Next Page
To Next Page IconTo Next Page
To Previous Page IconTo Previous Page
To Previous Page IconTo Previous Page
Loading...
Maintenance
37
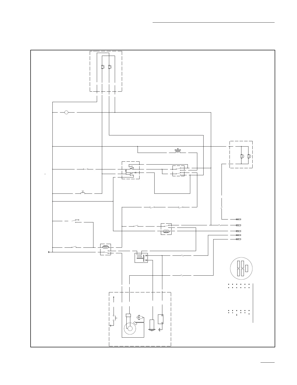
Wiring Diagram
)

 %"
$"
!


!
'"$"##
! !
$
&""
!$
$
''
!
%$
"
 %
#'
#$#'$
#'
"#'$

$" "(
(

$
(
$
'
$ 
%!
"&"##'$
#'
#'
!"

%
$



( &""
#'
#'
  $ 
"%$#"
"%"
#$"$"#
$ #'$
$"##
#
 "
 " " !
!$ 
%$
!$ #'$
#'




'
(
&
!
"
"
 "
(!


%%
!
#'
%$"#'$


"
$ #'$$"
 $ #&'" 


"
"(

" '
%
"
#
"
'"  " #
$
"
!
& $
'$
( '
&
&
!
$
"
%



(
'
"
(
&
&
"
"


#!"!%
#$"$"
#$"$
$ 
 %


"


!"##%"
#'$
"(

%$"
#'

%
%
'(

'
"
"

&
#  

Related product manuals