EasyManua.ls Logo

Toro 74020 - Schematics

Toro 74020
80 pages
Print Icon
To Next Page IconTo Next Page
To Next Page IconTo Next Page
To Previous Page IconTo Previous Page
To Previous Page IconTo Previous Page
Loading...
Schematics
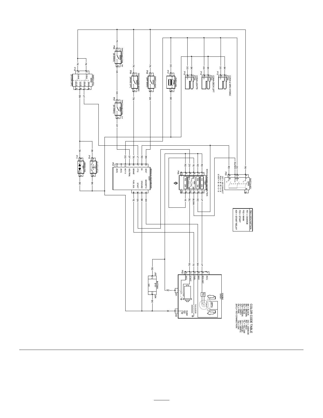
g338323
KawasakiEnginesElectricalSchematic—Page1(Rev.A)
75

Table of Contents

Related product manuals