EasyManua.ls Logo

Toro 74020 - Page 77

Toro 74020
80 pages
Print Icon
To Next Page IconTo Next Page
To Next Page IconTo Next Page
To Previous Page IconTo Previous Page
To Previous Page IconTo Previous Page
Loading...
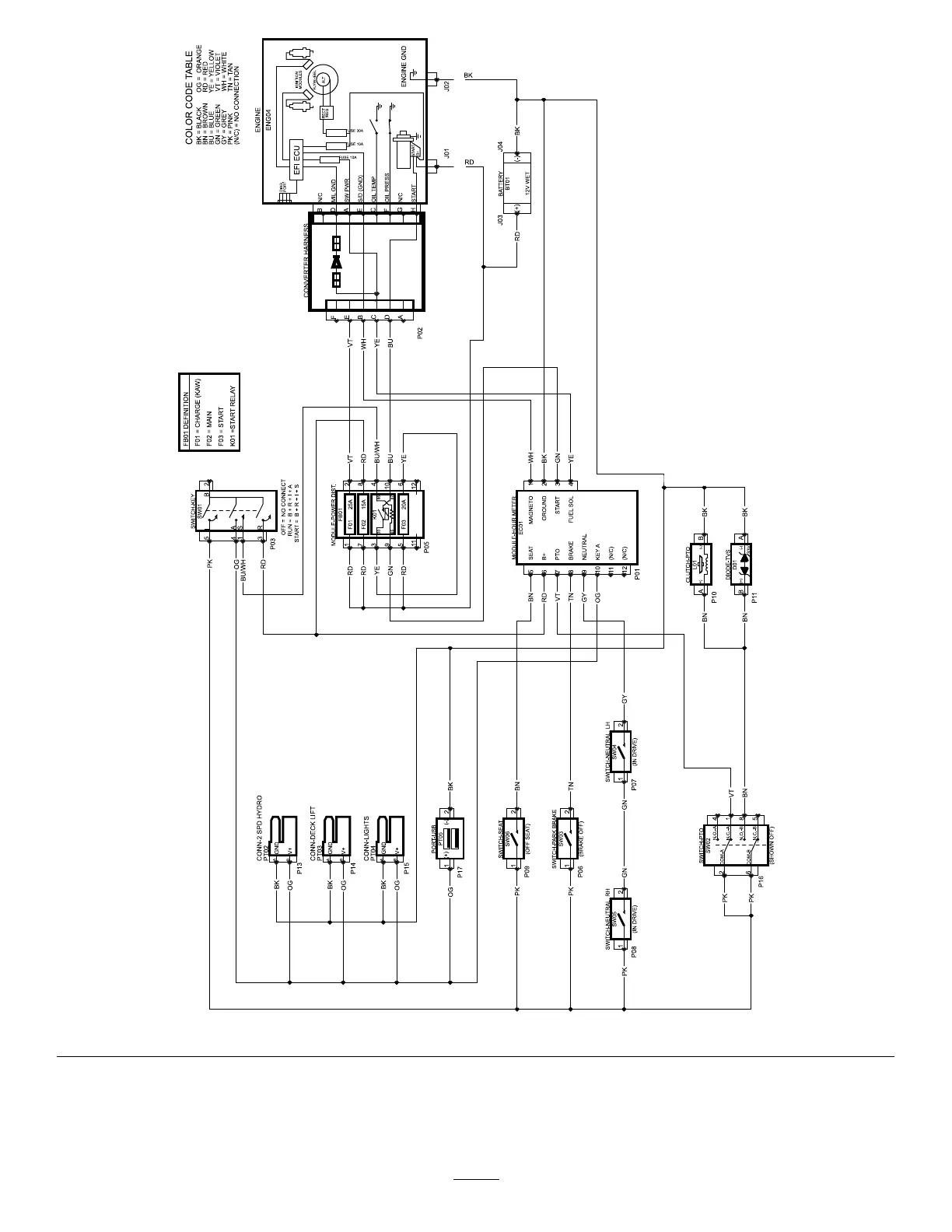
g341124
KohlerEnginesElectricalSchematic(Rev.A)
77

Table of Contents

Related product manuals