EasyManua.ls Logo

Toro 74239 - Greasing the Spindles; Cleaning the Cooling Systems

Toro 74239
56 pages
Print Icon
To Next Page IconTo Next Page
To Next Page IconTo Next Page
To Previous Page IconTo Previous Page
To Previous Page IconTo Previous Page
Loading...
36
Greasing the Spindles
The cutting unit must be lubricated weekly or every 25
hours. Refer to the Service Interval Chart on page 28.
Grease with No. 2 general purpose lithium base or
molybdenum base grease.
Important Make sure cutting unit spindles are full of
grease weekly.
1. Disengage the PTO, move the motion control levers to
the neutral locked position and set the parking brake.
2. Stop the engine, remove the key, and wait for all
moving parts to stop before leaving the operating
position.
3. Grease the three spindle bearings under the pulleys
until grease comes out the lower seals (Fig. 44).
4. Grease the fittings on the push arms (Fig. 44).
m–6822
Figure 44
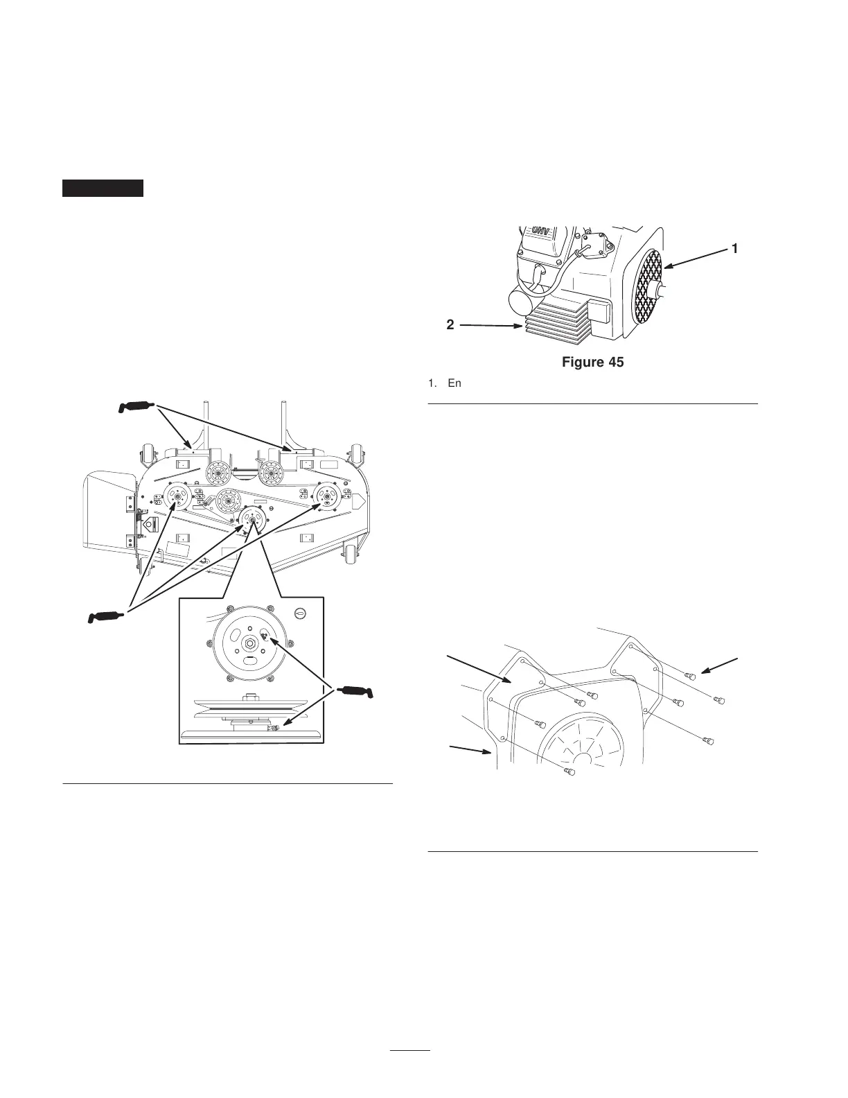
Cleaning the Cooling Systems
Cleaning the Engine Screen and the Oil
Cooler
Before each use, check and clean engine screen and oil
cooler. Remove any build–up of grass, dirt or other debris
from the oil cooler and engine air intake screen (Fig. 45).
m–3801
ÓÓÓ
ÓÓÓ
ÓÓÓ
ÓÓÓ
ÓÓÓ
1
2
Figure 45
1. Engine screen 2. Oil cooler
Cleaning the Engine Fins
Every 100 hours clean engine cylinder and cylinder head
cooling fins. Also clean around carburetor, governor
levers and linkage. This will make sure adequate cooling
to hydraulic pumps, motors and engine and will reduce the
possibility of overheating and mechanical damage.
1. Remove the panels from the engine shroud.
2. Clean the engine cooling fins.
3. Install the panels onto the engine shroud.
m–5616
1
2
3
Figure 46
1. Panel
2. Engine shroud
3. Screws

Table of Contents

Related product manuals