EasyManua.ls Logo

Toro 74408TE - Schematics

Toro 74408TE
56 pages
Print Icon
To Previous Page IconTo Previous Page
To Previous Page IconTo Previous Page
Loading...
Schematics
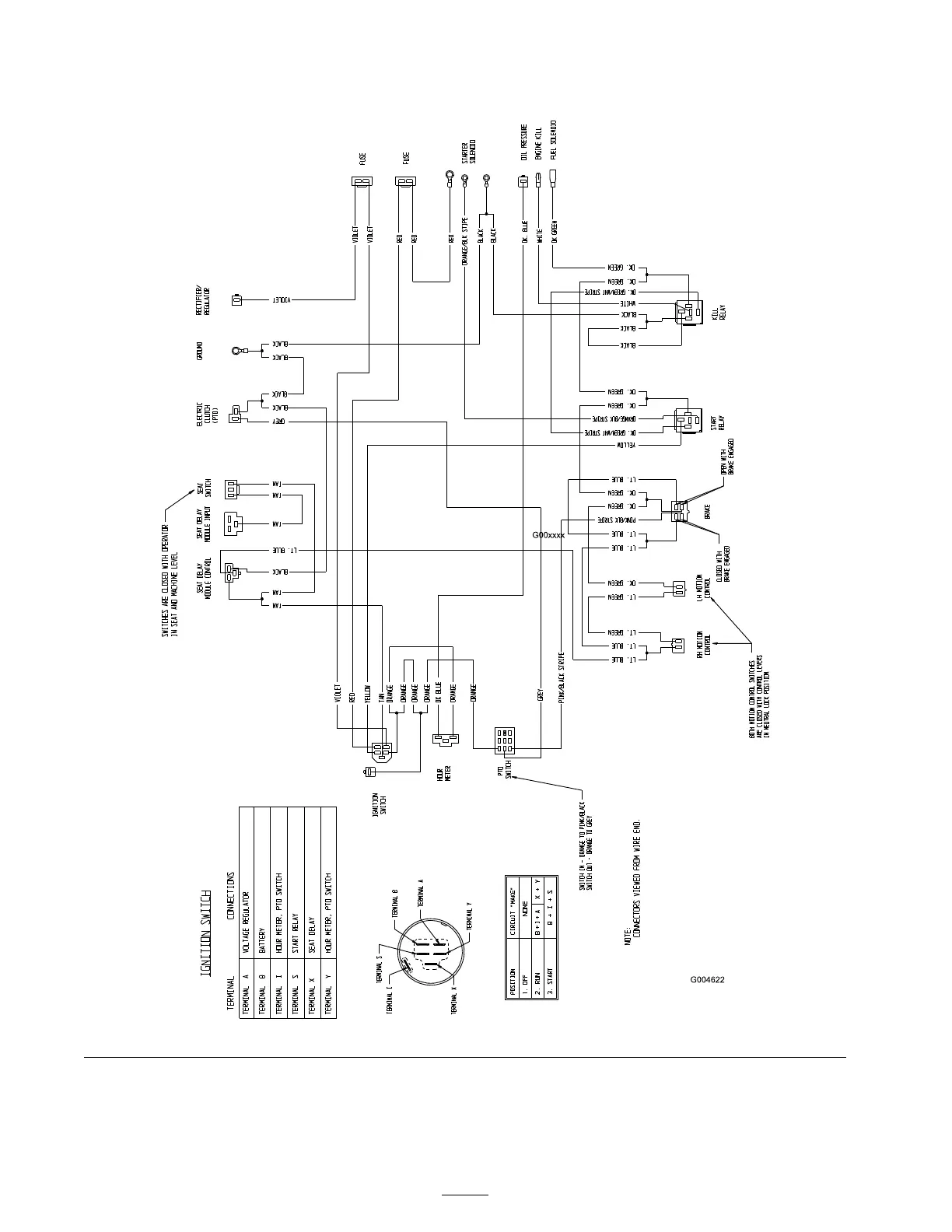
Wire Diagram (Rev. A)
54

Table of Contents

Related product manuals