EasyManua.ls Logo

Toro 74687 - Schematics

Toro 74687
56 pages
Print Icon
To Next Page IconTo Next Page
To Next Page IconTo Next Page
To Previous Page IconTo Previous Page
To Previous Page IconTo Previous Page
Loading...
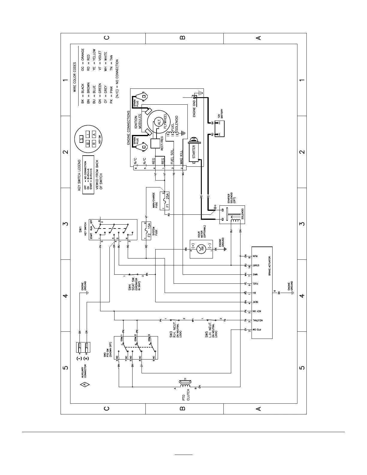
Schematics
g307974
ElectricalDiagram—139–2356(Rev.A)
53

Table of Contents

Related product manuals