EasyManua.ls Logo

Toro 74822 - Electrical System Schematics

Toro 74822
56 pages
Print Icon
To Next Page IconTo Next Page
To Next Page IconTo Next Page
To Previous Page IconTo Previous Page
To Previous Page IconTo Previous Page
Loading...
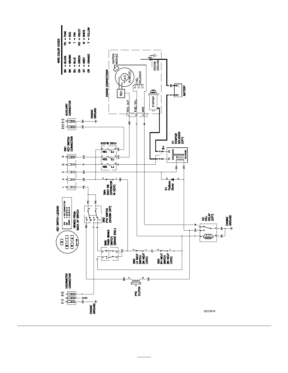
Schematics
G010474
WireDiagram(Rev.A)
53

Table of Contents

Related product manuals