EasyManua.ls Logo

Toro TimeCutter MX 5050 - Schematics; Electrical Diagram

Toro TimeCutter MX 5050
52 pages
To Next Page IconTo Next Page
To Next Page IconTo Next Page
To Previous Page IconTo Previous Page
To Previous Page IconTo Previous Page
Loading...
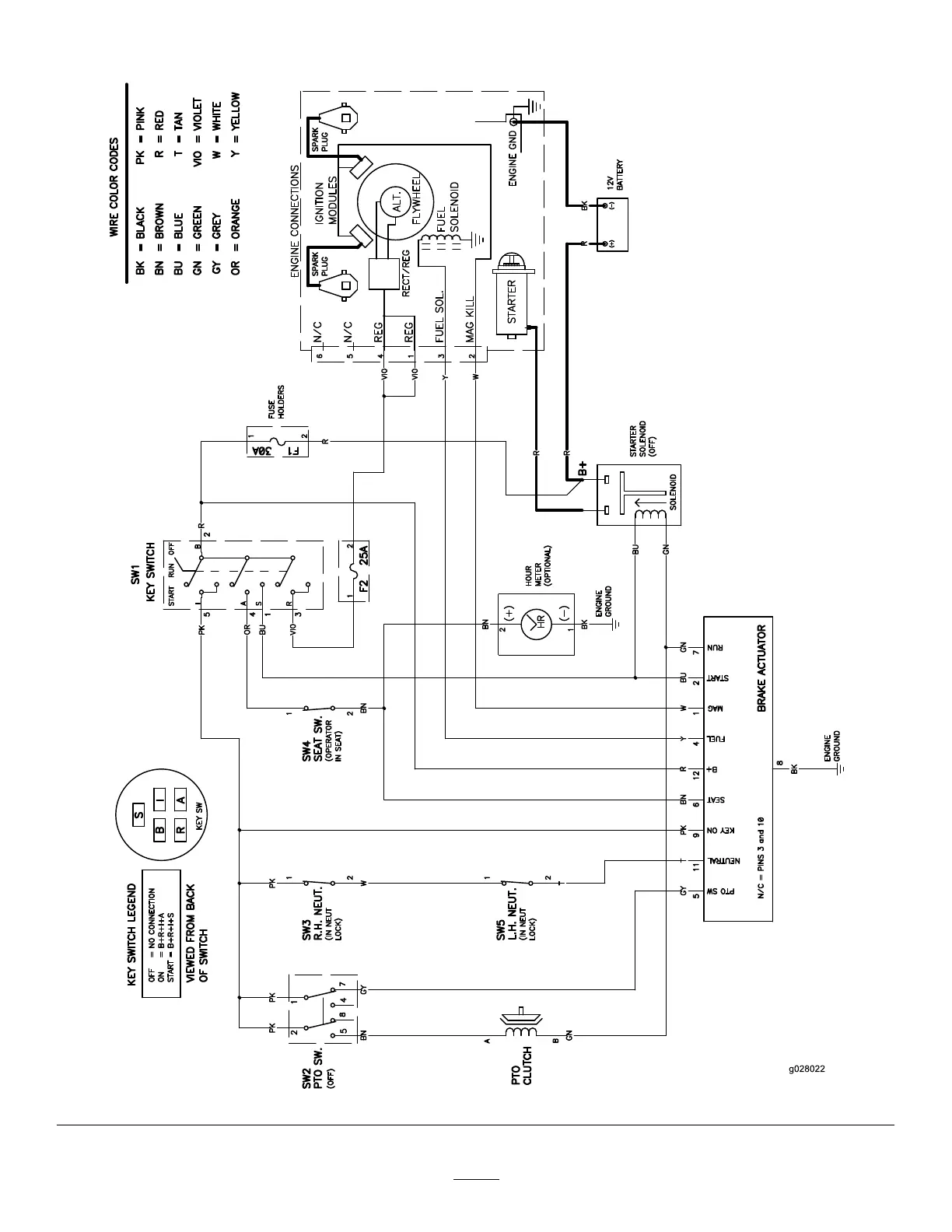
Schematics
ElectricalDiagram(Rev.A)
50

Table of Contents

Related product manuals