EasyManua.ls Logo

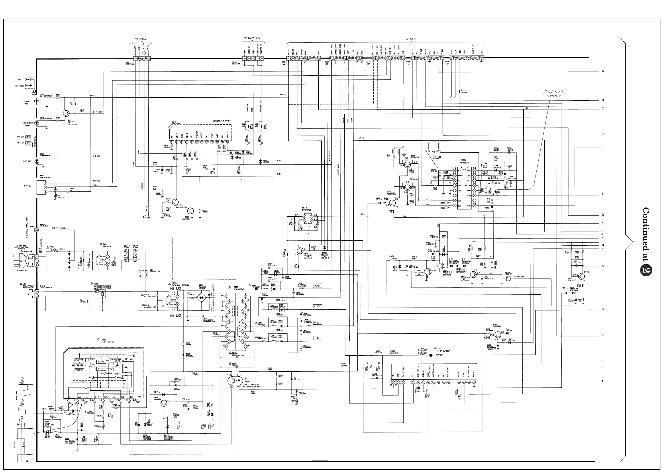
Toshiba 2857 DB - Power & Deflection Diagram

Toshiba 2857 DB
10 pages
To Next Page IconTo Next Page
To Next Page IconTo Next Page
To Previous Page IconTo Previous Page
To Previous Page IconTo Previous Page
Loading...
9
TOSHIBA 2857 DB
Power & Deflection Diagram

Related product manuals