EasyManua.ls Logo

Toshiba RAS-10YAH-E - Page 10

Toshiba RAS-10YAH-E
67 pages
To Next Page IconTo Next Page
To Next Page IconTo Next Page
To Previous Page IconTo Previous Page
To Previous Page IconTo Previous Page
Loading...
10
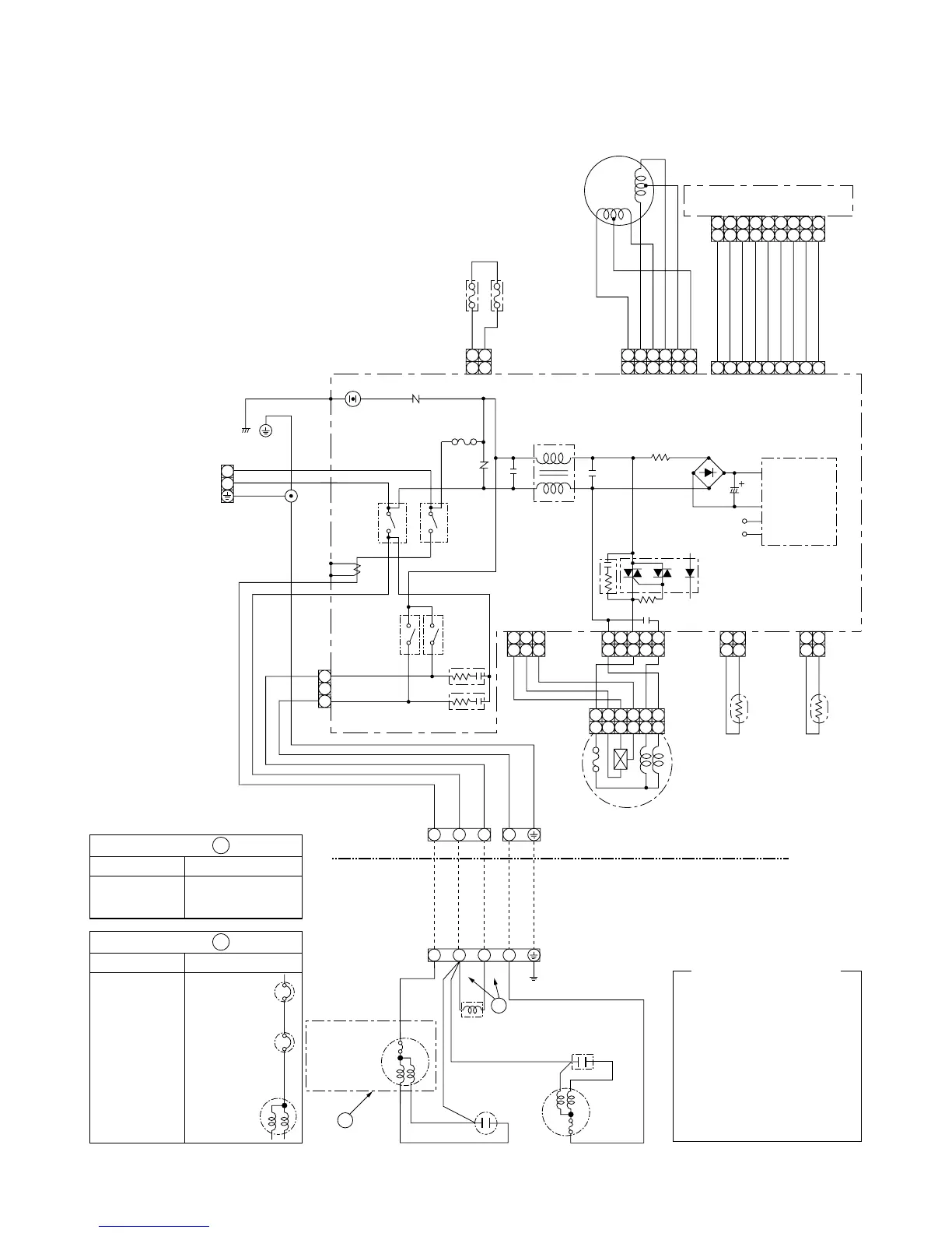
RAS-13YKH-E / RAS-13YAH-E
RAS-13YKH-ES / RAS-13YAH-ES
1
2
3
456
1
2
3
456
5
3 1
1
2
1
2
1
2
1
2
L
N
FAN
MOTOR
WHI
WHI
PNK
BLK BLUBLU
RED
RED
RED
SOLENOID
COIL
BLK
CAPACITOR
CAPACITOR
GRN & YEL
CHASSIS
INDOOR
OUTDOOR
RED
BLU
BLK
WHI
GRN&YEL
GRN&YEL
P04
BLK
BRW
BLU
ORN
ORN
CN04
CN13
CN25
CN03CN10
C58
MCC-798
CN11 CN01
BLK
BLK
BLK
BLK
POWER
SUPPLY
CIRCUIT
C02
DC 12V
DB01
R01
C01
L01
C15
R22
F01
6,3A
250V
R21
RY01
RY02
WHI
CR01
CR02
RY04RY03
BLK
T02
C.T
3
4
3
4
Ø 220V-240V
50Hz
POWER
TERMINAL
BLOCK
INDOOR
TERMINAL
BLOCK
THERMO
SENSOR
(TA)
AC FAN MOTOR
HEAT
EXCHANGER
SENSOR
(TC)
:
:
:
:
:
:
:
:
:
:
BROWN
RED
WHITE
YELLOW
BLUE
BLACK
GRAY
PINK
ORANGE
GREEN &
YELLOW
BRW
RED
WHI
YEL
BLU
BLK
GRY
PNK
ORN
GRN&YEL
COLOR IDENTIFICATION
VARISTOR
1
9
8
7
6
5
4321
9
8
7
6
5
9
8
7
6
5
4
4
3
3
2
2
1
1
2
2
1
SG01
DSA
1
23
5
3 1
1
23
YEL
BLK
BLK
BRW
PNK
WHI
1
3
321
4
321
4
COMPRESSOR
BLU
PNK
BLK
WHI
BLU
BLU
BLU
BLU
BLU
OUTDOOR
TERMINAL
BLOCK
THERMAL
FUSE
77˚C x 2
LOUVER MOTOR
1
2
3
4
6
5
PNK
YEL
ORN
RED
BRW
BLU
CN07
1
2
3
4
6
5
DC 5V
CR03 IC 03
INFRARED RAYS RECEIVE
AND INDICATION PARTS
BLK
BLK
OVER LOAD
RELAY
THERMOSTAT
FOR
COMPRESSOR
Same as
figure.
COMPRESSOR
Detail B
Detail A
RAS-13YAH-ES
RAS-13YAH-E
Same as
figure.
BLK
A
B
RAS-13YAH-ES RAS-13YAH-E

Table of Contents

Related product manuals