EasyManua.ls Logo

Toyan Engine X-Power - Page 7

Toyan Engine X-Power
63 pages
Print Icon
To Next Page IconTo Next Page
To Next Page IconTo Next Page
To Previous Page IconTo Previous Page
To Previous Page IconTo Previous Page
Loading...
TOYAN
5
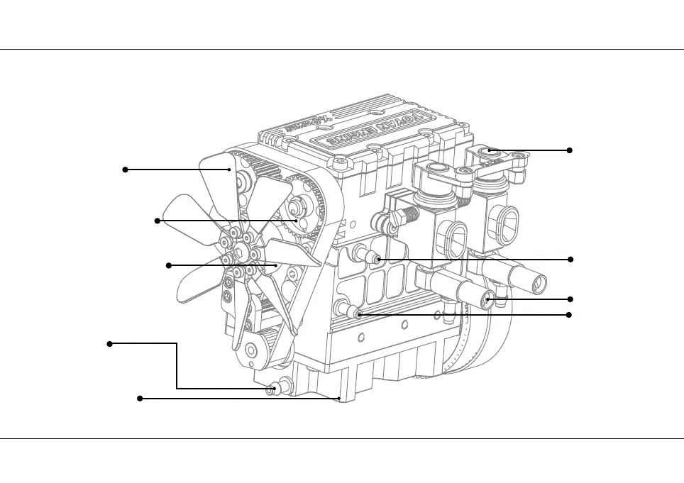
Engine structure and components
Fan blades
Timing pulley
Cooling fan drive wheel
oil drain
crankcase bottom
Deputy oil
needle
Outlet
oil needle
inlet

Related product manuals