EasyManua.ls Logo

Traeger TFB88PUB - Wiring Diagram

Traeger TFB88PUB
32 pages
Print Icon
To Next Page IconTo Next Page
To Next Page IconTo Next Page
To Previous Page IconTo Previous Page
To Previous Page IconTo Previous Page
Loading...
30
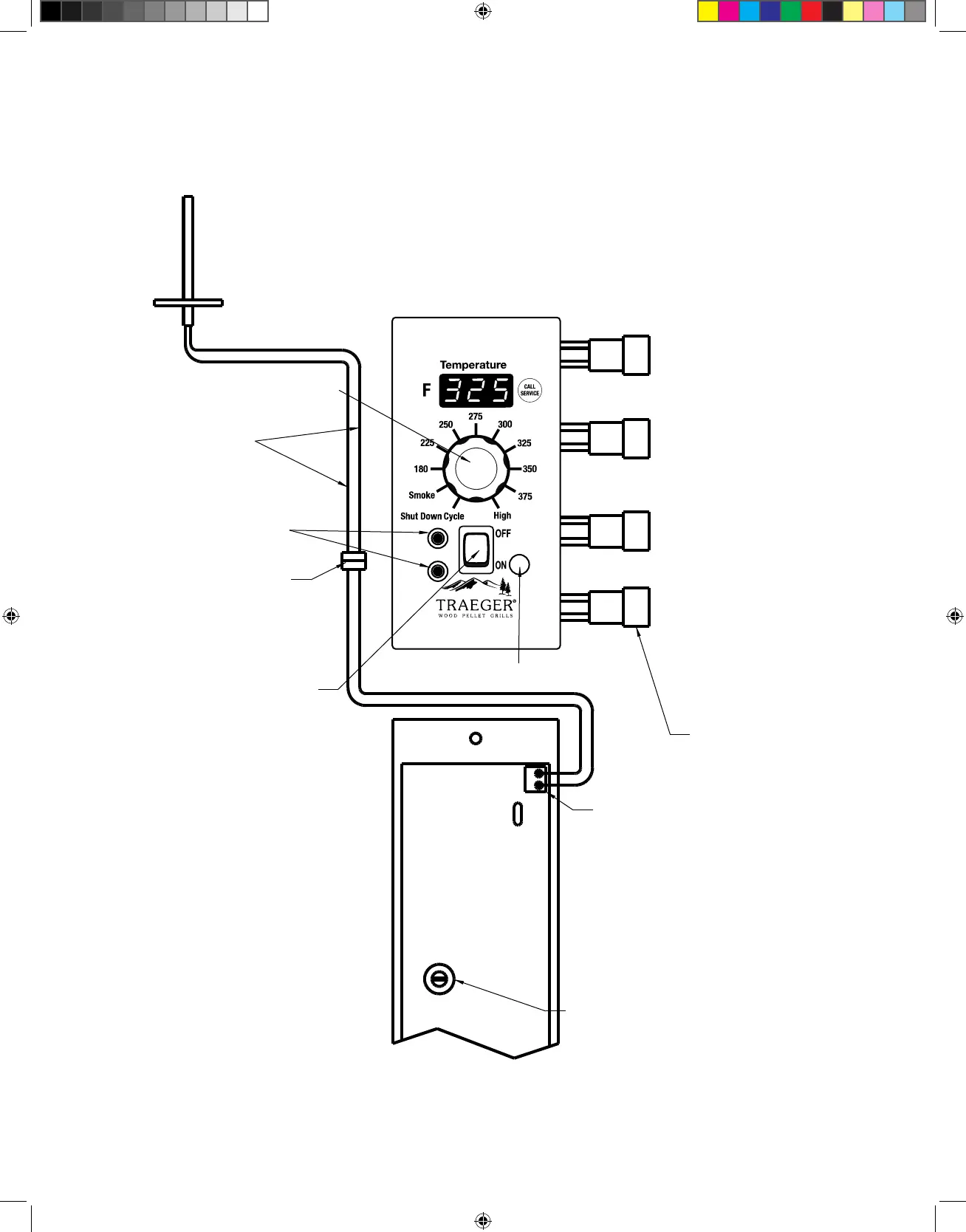
WIRING DIAGRAM
Probe
Selector
Probe 1
Probe 2
RTD SENSOR
TEMPERATURE DIAL
RTD WIRES
(FIBERGLASS
INSULATION)
RTD CONNECTOR
PROBE
RECEPTACLES
SWITCH
PROBE SELECTOR SWITCH
BACK OF CONTROL
FUSE HOLDER
GREEN TERMINAL BLOCK
FOR RTD WIRES
MOLEX CONNECTORS
TYPICAL
PURPLE/WHITE WIRES
HOT ROD
(FIBERGLASS INSULATION)
ORANGE/WHITE WIRES
DRAFT INDUCER FAN
(LARGE FAN BLADE)
RED/WHITE WIRES
AUGER DRIVE MOTOR
(SMALL FAN BLADE)
BLACK/WHITE WIRES
POWER CORD
66103_PRO15_v10.indd 30 11/12/15 11:30 AM

Related product manuals