EasyManua.ls Logo

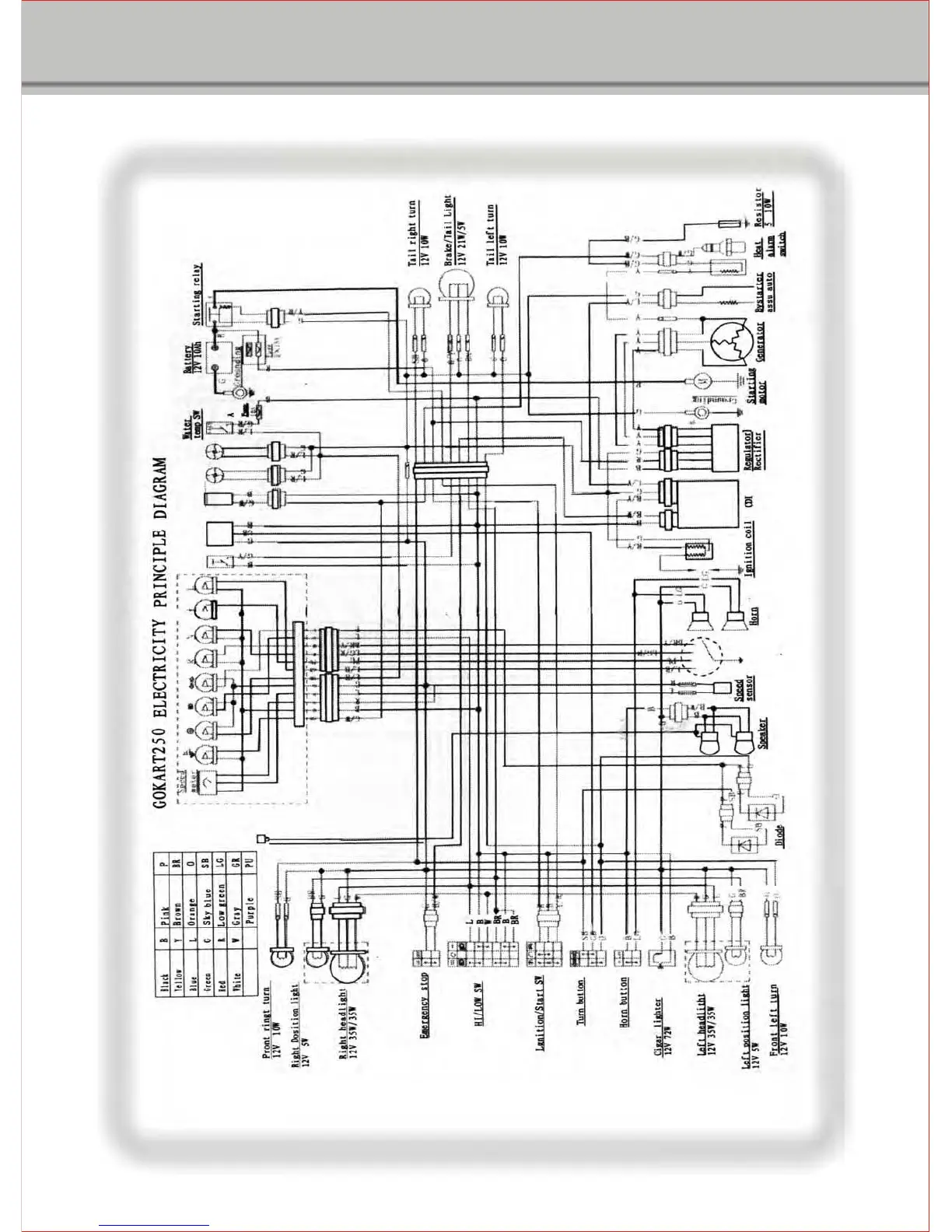
TrailMaster 300xrs - Wiring Diagram

Default Icon
30 pages
Print Icon
To Next Page IconTo Next Page
To Next Page IconTo Next Page
To Previous Page IconTo Previous Page
To Previous Page IconTo Previous Page
Loading...
WIRING DIAGRAM
24

Related product manuals