EasyManua.ls Logo

Trane 2MCC05-C - Page 59

Trane 2MCC05-C
80 pages
Print Icon
To Next Page IconTo Next Page
To Next Page IconTo Next Page
To Previous Page IconTo Previous Page
To Previous Page IconTo Previous Page
Loading...
MS-SVN056C-EN 59
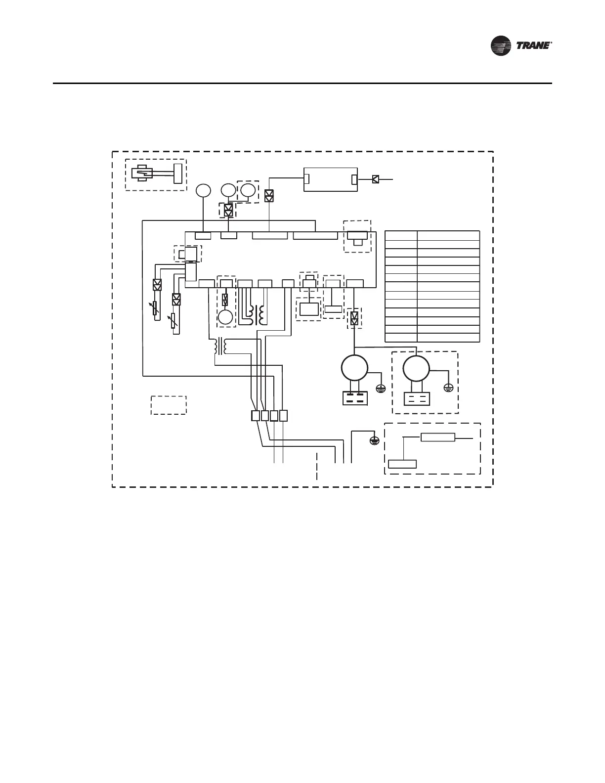
Wiring Diagrams
Convertible Indoor Unit - Cooling Only - 2MCX05-C
57
57
;3a
;6a
&$3
)$1 )$1
&1&1
7
*0 *0
/1&1
)$1
',63/$<
%2$5'
&$3
7
0$,1 &21752/ %2$5'
&1
&1
&1&1
&1
&1
;3
;6
72 287'225 81,7
:+,7(
:+,7(
5('
:+,7(
,1'225
:,5,1*
',$*5$0
&211(&7256
&211(&7256
3,3( 7(03 6(1625
5220 7(03 6(1625
3&%2$5' 62&.(76
75$16)250(5
<*
32:(5
&1
/(9(/ 6:,1* 02725
&2'(
,1'225 )$1
,1'225 )$1 &$3
3$57 1$0(
*5((1
5('
%/$&.
%/8(
5('
&1
&1
;3
;6
;3
;6
57
57
72 :,5( &21752//(5
*0
3/80% 6:,1* 02725
7
&1
5('
75$16)250(5
7
9Њ
&1
1(7 02'8/(
72 &&0
&1
*0*0
*0
)$1
:+,7(
:+,7(
&$3
&1
&1
3803
5(027(
212))
$/$50
&1
&1
;3
&1
. :36(1625
.
127(
7KH ZLULQJ GLDJUDP
LV IRU H[SODQDWLRQ
SXUSRVH RQO\ 7KH
DFWXDO VKDSH RI WKH
FRPSRQHQWV PD\ EH
GLIIHUHQW

Related product manuals