EasyManua.ls Logo

Trane 2MCC05-C - Page 70

Trane 2MCC05-C
80 pages
Print Icon
To Next Page IconTo Next Page
To Next Page IconTo Next Page
To Previous Page IconTo Previous Page
To Previous Page IconTo Previous Page
Loading...
70 MS-SVN056C-EN
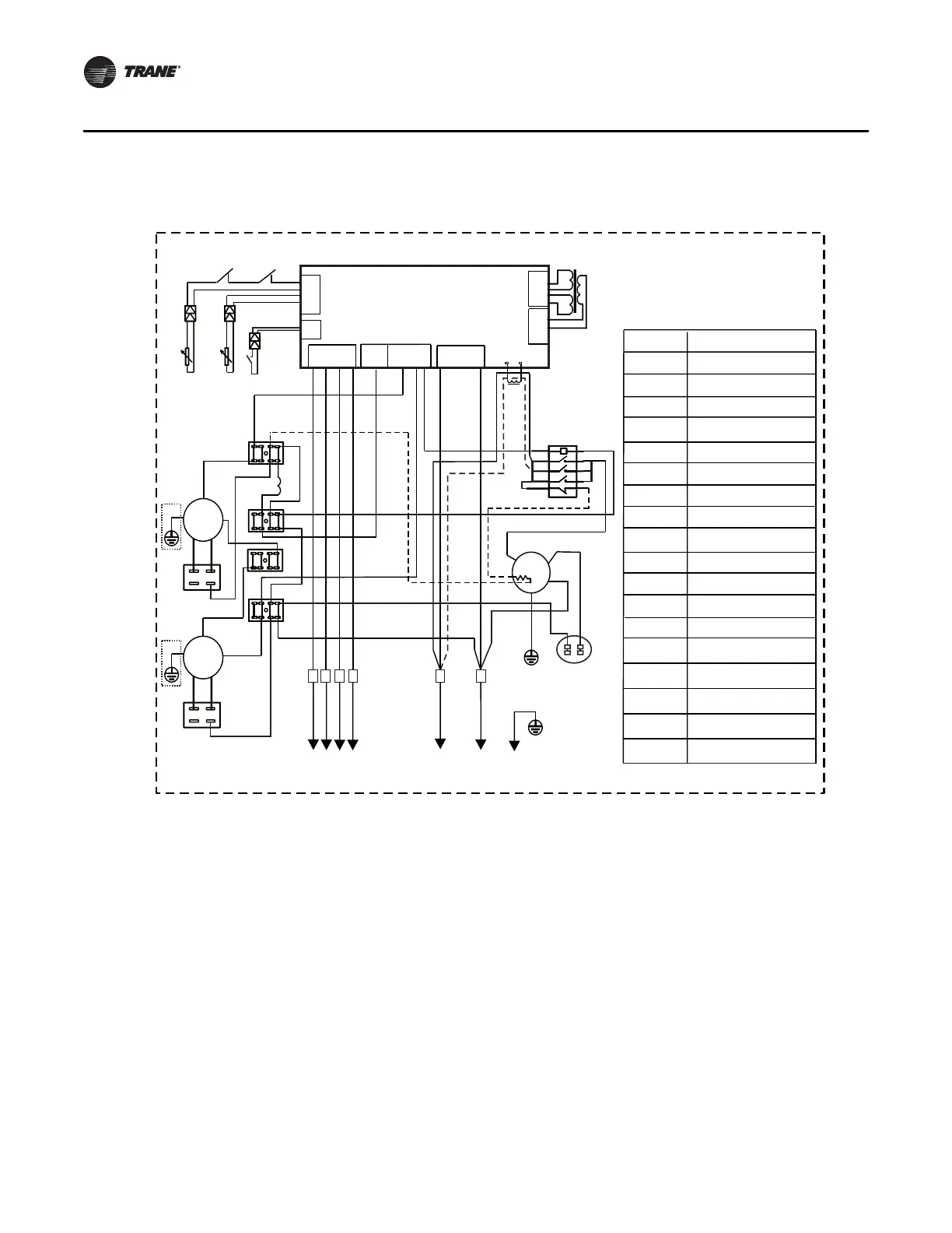
Wiring Diagrams
Outdoor Unit - Cooling Only/Heat Pump - 4TWK05-D (60K) - 1 Phase
:+,7(
%/8(
%/8(
:+,7(
5('
%/$&.%/8(
5('
%/8(
%52:1
WHITE
YELLOW
5('
BLACK
:+,7(
%/8(
RED
+532
.
%/$&.
BLACK
5('
69
:$<9$/9(
69
;7
;7
+($7(5
<*
&203


&1 3&%2$5'62&.(76
7(033527(&76:,7&+6+257,1*678%
52207(036(1625
75$16)250(5
:$<7(50,1$/
;7
7
57
.
:$<7(50,1$/
&211(&725
+,*+/2:35(6685(6:,7&+6+257,1*678%
&5$1.
$&&217$&725
3,3(7(036(1625
&211(&7256
57
;3
+/352
;7
;7
.0
+($7(5
0$,1&21752/%2$5'
57
&1
&1
;7
;3
;6
&1
&1
&1
.0
$
$
&1
7
&$3$&,725
&2035(6625
287'225)$1
3$571$0(
&203
&2'(
&211(&7256;6
)$1
&$3
)$1)$1
&$3&$3&$3
57
;3
;6
)$1
&$3
&1
/532
&1
;3
;6
CT1
&7
&855(17'(7(&725
5('
25$1*(%52:1
25$1*(%52:1
C1
N1
V1
L
N
BLACK
BLACK
BLACK
DOWN
UP
CAP1
5('
RED
%/$&.
%/$&.
R
S
C
%/$&.
%/$&.
%/$&.
F1
RED
72,1'225
:,5,1*',$*5$0
<*
287'22581,7
POWER
<*
<*
;7
;7
%/$&.
%/8(
%/8(

Related product manuals