EasyManua.ls Logo

Trane 4DCY4042 - Page 13

Trane 4DCY4042
25 pages
Print Icon
To Next Page IconTo Next Page
To Next Page IconTo Next Page
To Previous Page IconTo Previous Page
To Previous Page IconTo Previous Page
Loading...
13
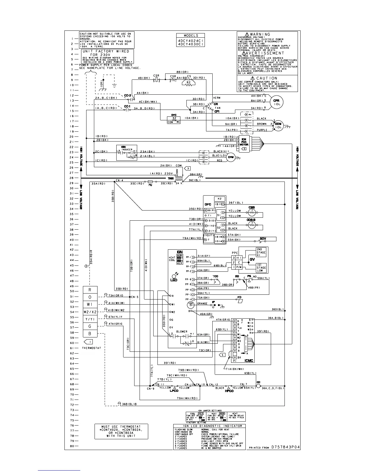
Typical Wiring

Other manuals for Trane 4DCY4042

Related product manuals