EasyManua.ls Logo

Trane 4TTA4 - Page 26

Trane 4TTA4
30 pages
Print Icon
To Next Page IconTo Next Page
To Next Page IconTo Next Page
To Previous Page IconTo Previous Page
To Previous Page IconTo Previous Page
Loading...
26 18-AC108D1-1D-EN
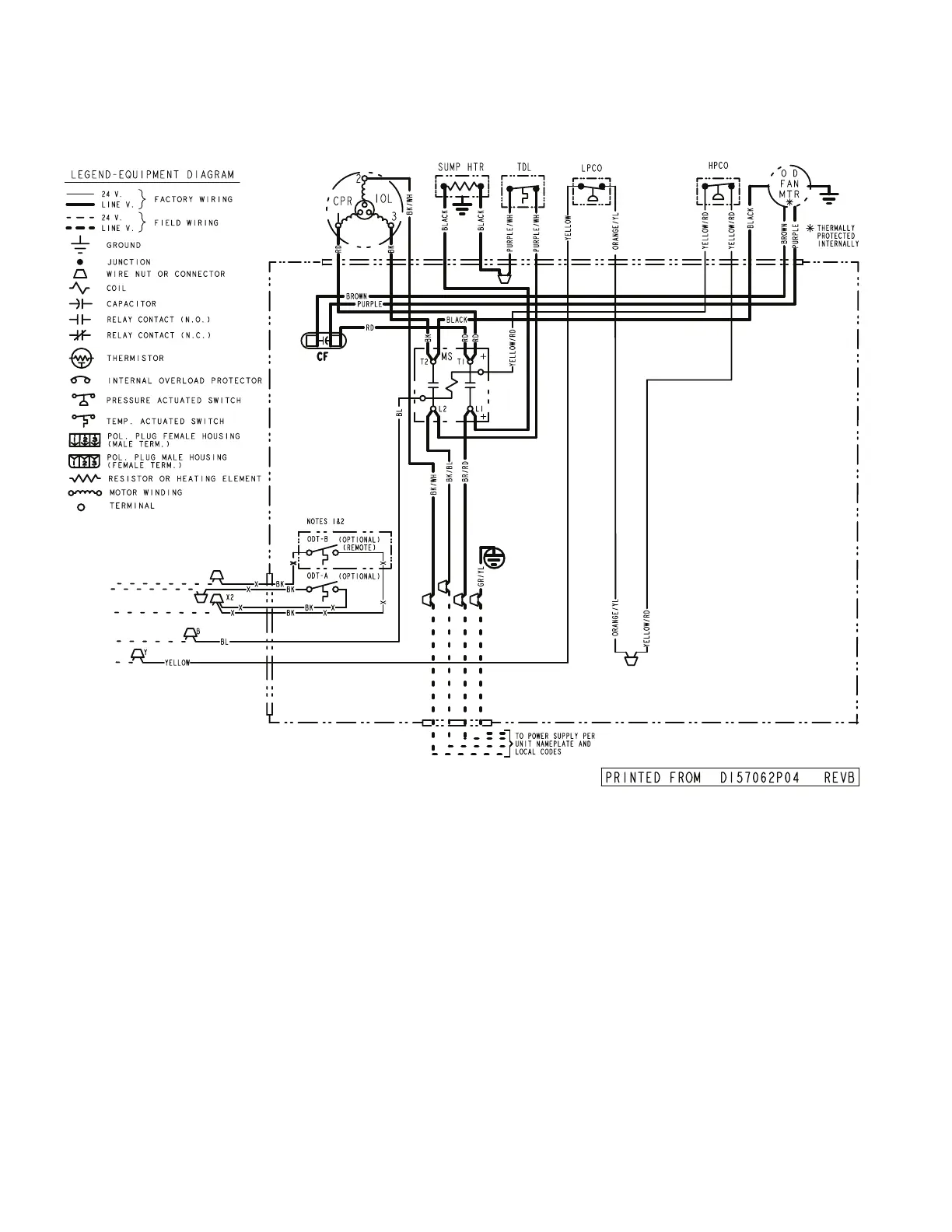
036A3, 042A3, 048A3 & 060A3 Models

Related product manuals