EasyManua.ls Logo

Trane 4TXM2324BF300AA - Page 11

Trane 4TXM2324BF300AA
156 pages
Print Icon
To Next Page IconTo Next Page
To Next Page IconTo Next Page
To Previous Page IconTo Previous Page
To Previous Page IconTo Previous Page
Loading...
9
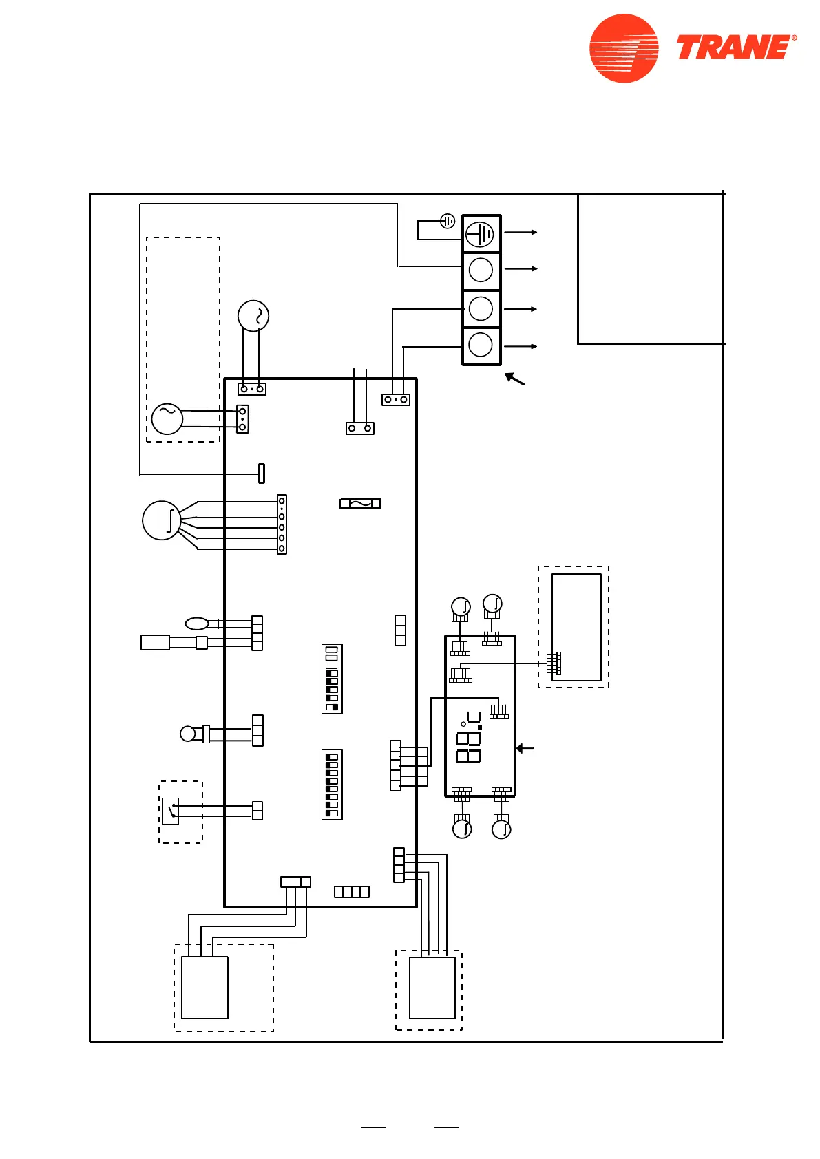
4MXC2324BF0W0AA (Manufactured before 6th May, 2021)
TO OUT DOOR UNIT
Y/G:YELLOW/GREEN
RD:RED W:WHITE
BLK:BLACK
******************
.
SENSOR
CN1
CN11
CN19
SW3(BM3)
2
1
3
BLK
WHT
RD
NOTE:
1.DASHED PARTS ARE OPTIONAL.
2.USER SHOULD NOT CHANGE THE
DIP SWITCH SW1 SW3 WITHOUT GUIDENCE
3.SW3-5->SW3-8 ARE USED FOR WIRED CONTROLLER
ADRESS SELECT. SW3-1->SW3-4 ARE RESERVED.
CH1
OFF
TEMP
.
PIPING
DC FAN MOTOR
B A
C
87654321
SW1(BM1)
87654321
N
Y/G
L
I.R .RECEIVER
(WITH DIGITAL
DISPLAY)
WiFi
MODULE
.
B
A
C
WIRED
CONTROLLER
M
SENSOR
TEMP
.
ROOM
ROOM CARD
CN3
CN6
T5A 250VAC
CN16
DRAIN
PUMP
M
CN9
CN10
CN4
CN14
FUSE
FLOAT
SWITCH
CN13
CN4
CN3
CN2
CN7
CN1
CN6
INTELLIGENT
MOVE EYE DEVICE
M
M
LOUVER
STEP MOTOR4
LOUVER
STEP MOTOR3
M
M
LOUVER STEP
MOTOR2
LOUVER STEP
MOTOR1
INDOOR UNIT
MAIN CONTROL
BOARD
I.R .RECEIVER :
INFRARED REMOTE
RECEIVER .
TEMP. : TEMPERATURE
ON
OFF
ON
6 2 N C
A
B
M
FRESH AIR MOTOR /
EXTERNAL ALARM OUTPUT
(FUNCTION IN FUTURE )
( Contact rating_230VAC,3A)
INDOOR UNIT
TERMINAL BLOCK
CN15
ELECTRIC HEATING
THERMOSTAT / FUSE
(W)
(W)
(W)
(W)
(RD)
(BL)
(W)
BL:BLUE

Related product manuals