EasyManua.ls Logo

Trane 4TXM2324BF300AA - 2.3 Wiring Diagram

Trane 4TXM2324BF300AA
156 pages
Print Icon
To Next Page IconTo Next Page
To Next Page IconTo Next Page
To Previous Page IconTo Previous Page
To Previous Page IconTo Previous Page
Loading...
7
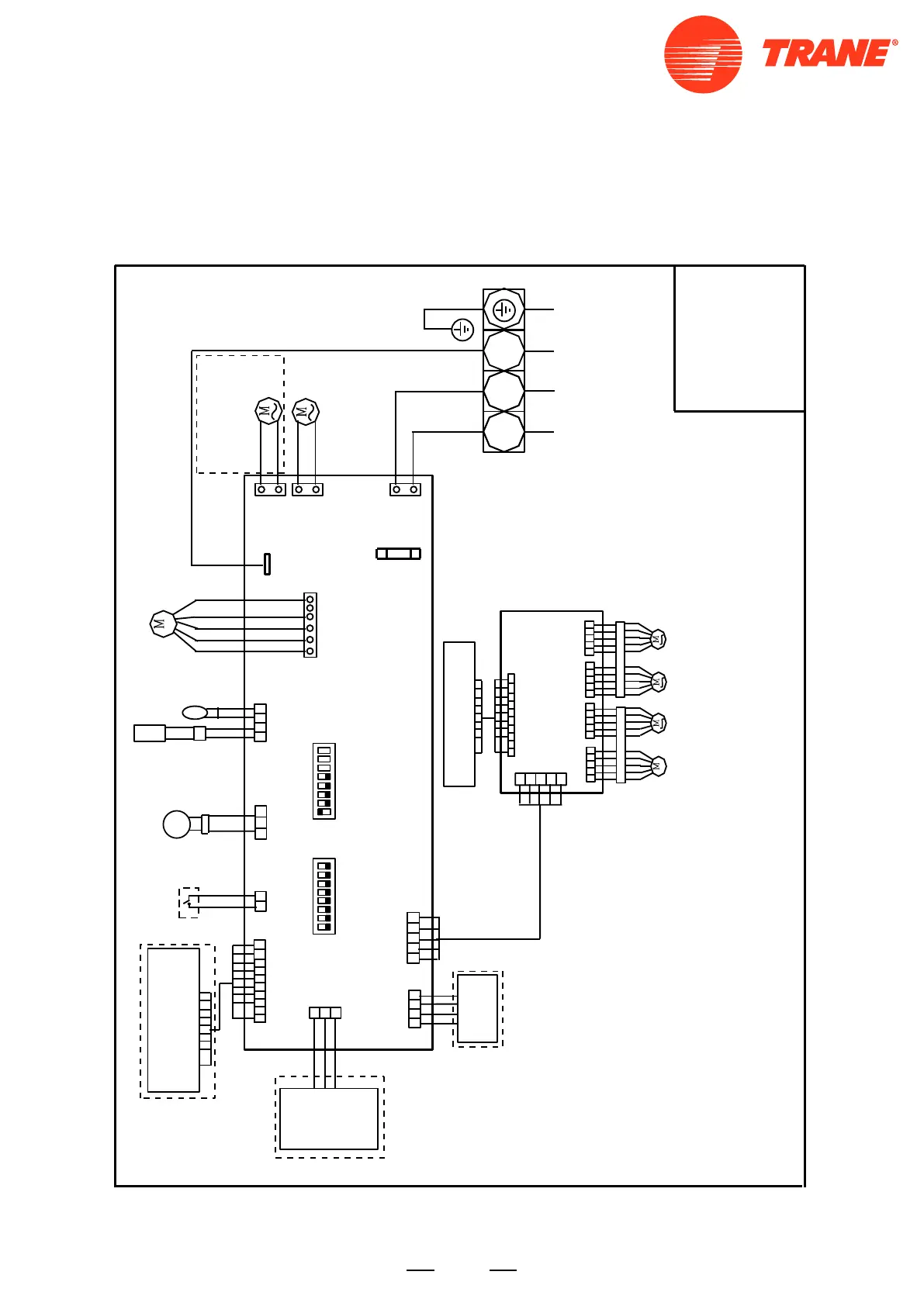
2.3 Wiring Diagram
4MXC2309BF0W0AA 4MXC2312BF0W0AA 4MXC2318BF0W0AA (Manufactured before 6th May, 2021)
TO OUT DOOR
B:BLACK
R:RED
W:WHITE
Y/G:YELLOW/GREEN
TEMP.
SENSOR
ROOM
SENSOR
FLOAT
SWITCH
DRAIN
PUMP
CN9
CN1
CN6
INFRARED REMOTE
RECEIVER
CN4
CN11
CN19
CN3
ON
CN21
T5A/250VAC
FUSE
BM3
2
1
3
B
W
R
Y/G
NOTE1.DASHED PARTS ARE OPTIONAL.
2.USERS SHOULD NOT SET BM1 AND BM3.
CH1
OFF
CN16
TEMP.
PIPING
DC FAN
ROOMCARD
WIFI
MODULE
WIRED
CONTROLLER
B A
C
B A
C
87654321
ON
BM1
OFF
87654321
N
CN10
FRESH AIR MOTOR/
EXTERNAL ALARM OUTPUT
(Contact rating 230VAC 3A)
CN14
CN29
CN7
INFRARED REMOTE
RECEIVER
CN1
CN2
CN3 CN4
LOUVER STEP MOTOR
L
(BL)
BL:BLUE
(Y)
Y:YELLOW
(W)
(R)
(W)
(B)
(W)
(W)
(W)
(W)
(BL)
(R)
(W)
(W)
(W)
(W)
(B)

Related product manuals