EasyManua.ls Logo

Trane 4TYK6-A - Outdoor Unit Wiring Diagrams (Cooling Only, Models 18;24); Cooling Only Outdoor Unit Wiring Diagram (Models 18;24); Outdoor Unit Wiring Diagrams (Heat Pump, Models 18;24); Heat Pump Outdoor Unit Wiring Diagram (Models 18;24)

Trane 4TYK6-A
28 pages
Print Icon
To Next Page IconTo Next Page
To Next Page IconTo Next Page
To Previous Page IconTo Previous Page
To Previous Page IconTo Previous Page
Loading...
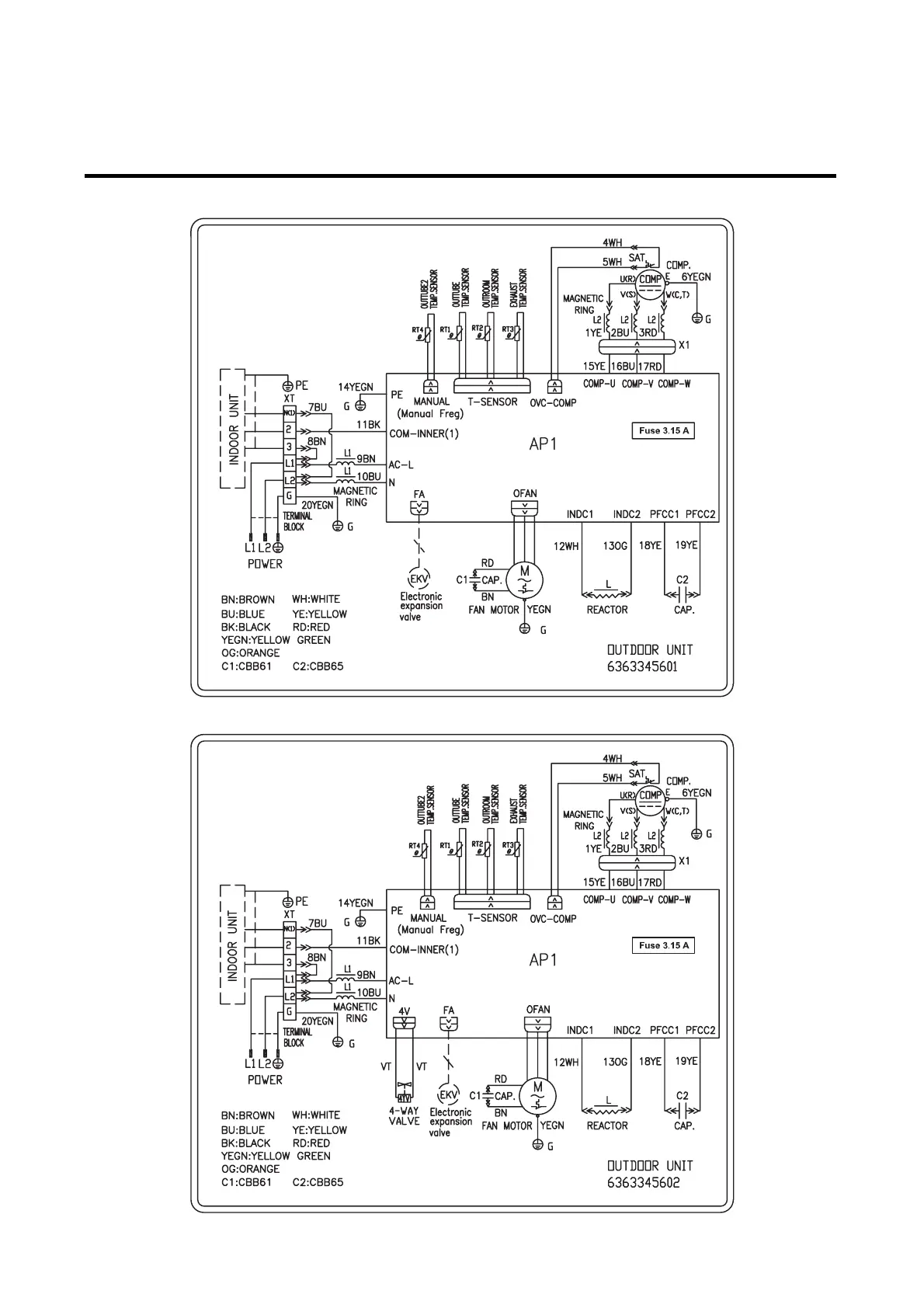
Figure 6 . 4TYK6518A1 4TYK6524A1 (Cooling only outdoor units)
MS-SVN22A-EN
26
Figure 7. 4YXK6518A1 4TXK6524A1 (Heat pump outdoor unit)

Related product manuals