EasyManua.ls Logo

Trane EBC060 - Voltage Imbalance Considerations

Trane EBC060
36 pages
Print Icon
To Next Page IconTo Next Page
To Next Page IconTo Next Page
To Previous Page IconTo Previous Page
To Previous Page IconTo Previous Page
Loading...
RT-SVX057F-EN
19
controls and the unit’s termination point does not
exceed three (3) ohms/conductor for the length of
the run.
NNoottee:: Resistance in excess of 3 ohms per conductor
could cause component failure due to
insufficient AC voltage supply.
3. Be sure to check all loads and conductors for
grounds, shorts, and mis-wiring.
4. Do not run the AC low voltage wiring in the same
conduit with the high voltage power wiring.
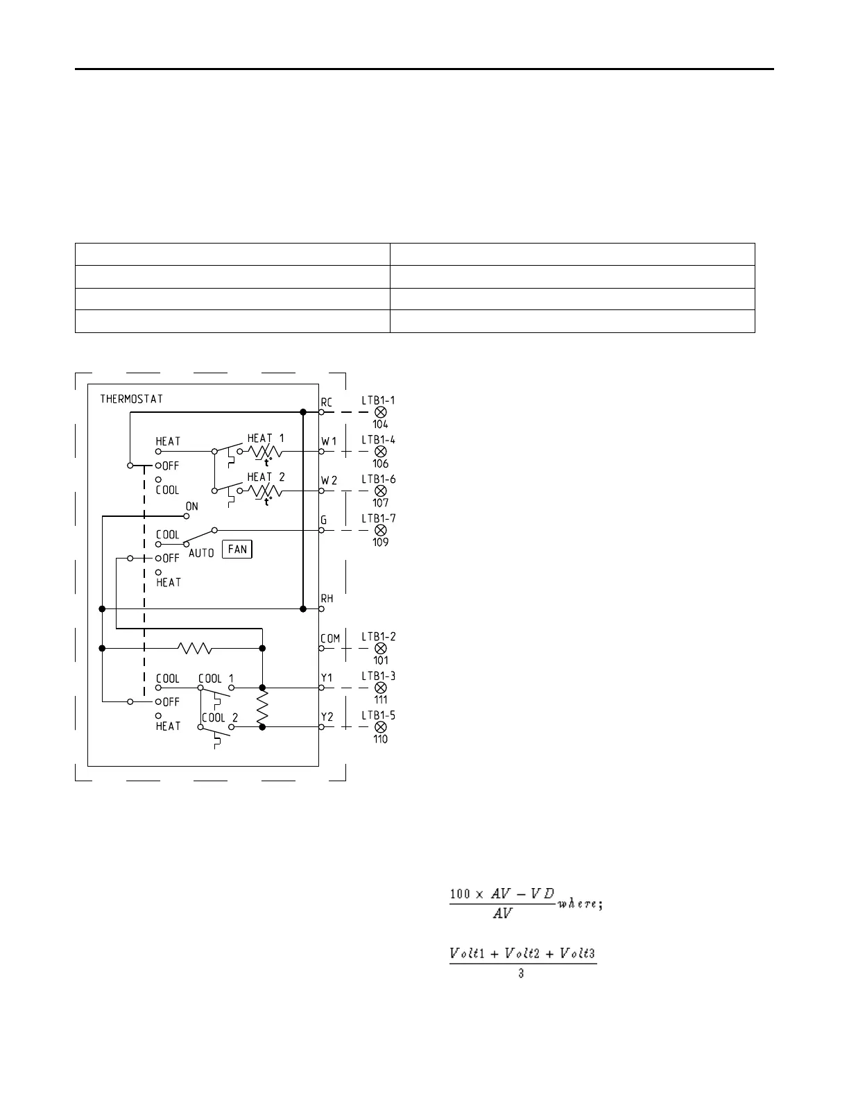
5. Route low voltage wiring as per Figure 13, p. 19.
Table 2. Electromechanical thermostat 24 Vac conductors
Distance from Unit to Control Recommended Wire Size
000–460 feet
18 gauge
000–140 m 0.75 mm^2
461–732 feet
16 gauge
Figure 13. Conventional thermostat field wiring diagram
Voltage Imbalance
Three phase electrical power to the unit must meet
stringent requirements for the unit to operate properly.
Measure each leg (phase-to-phase) of the power
supply.
Each reading must fall within the utilization range
stamped on the unit nameplate. If any of the readings
do not fall within the proper tolerances, notify the
power company to correct this situation before
operating the unit.
Excessive three phase voltage imbalance between
phases will cause motors to overheat and eventually
fail.
The maximum allowable voltage imbalance is 2
percent. Measure and record the voltage between
phases 1, 2, and 3 and calculate the amount of
imbalance as follows:
% Voltage Imbalance =
AV (Average Voltage) =
V1, V2, V3 = Line Voltage Readings
IInnssttaallllaattiioonn

Table of Contents

Related product manuals