EasyManua.ls Logo

Trane FF - Page 22

Trane FF
80 pages
Print Icon
To Next Page IconTo Next Page
To Next Page IconTo Next Page
To Previous Page IconTo Previous Page
To Previous Page IconTo Previous Page
Loading...
22 UNT-SVX07A-EN
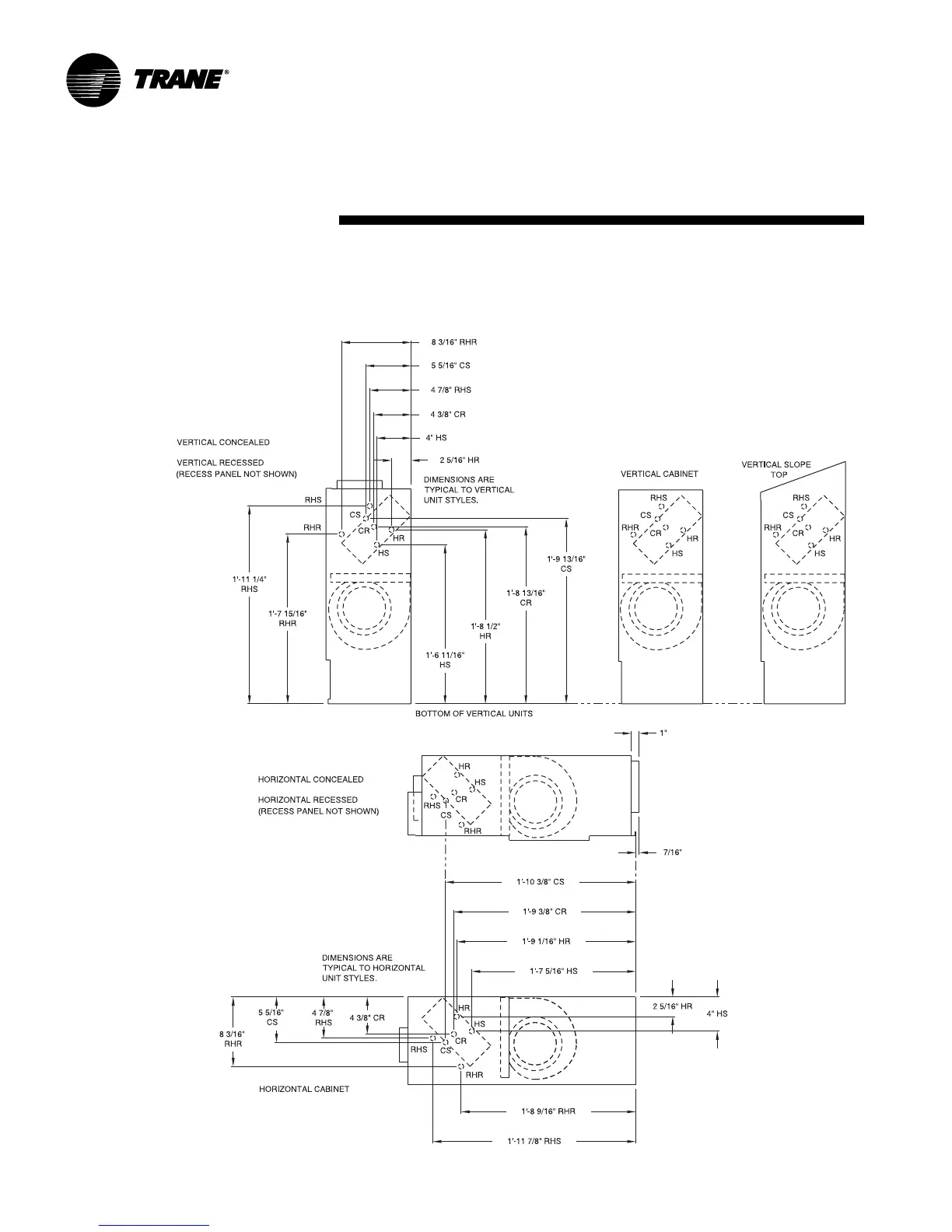
Fan-Coil
Coil Connections
Vertical Units
Fan-Coil
Coil Connections
Horizontal Units
Installation
dimensions
& weights

Other manuals for Trane FF

Related product manuals