EasyManua.ls Logo

Trane FF - Page 74

Trane FF
80 pages
Print Icon
To Next Page IconTo Next Page
To Next Page IconTo Next Page
To Previous Page IconTo Previous Page
To Previous Page IconTo Previous Page
Loading...
74 UNT-SVX07A-EN
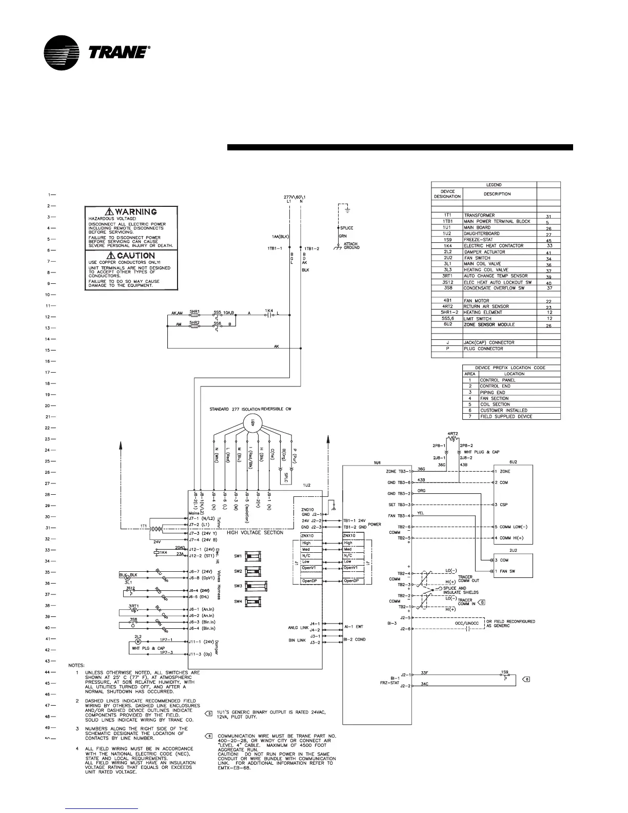
typical wiring
diagramMaintenance
Tracer ZN010 with electric heat

Other manuals for Trane FF

Related product manuals