EasyManua.ls Logo

Trane Pro Series - Page 36

Trane Pro Series
44 pages
Print Icon
To Next Page IconTo Next Page
To Next Page IconTo Next Page
To Previous Page IconTo Previous Page
To Previous Page IconTo Previous Page
Loading...
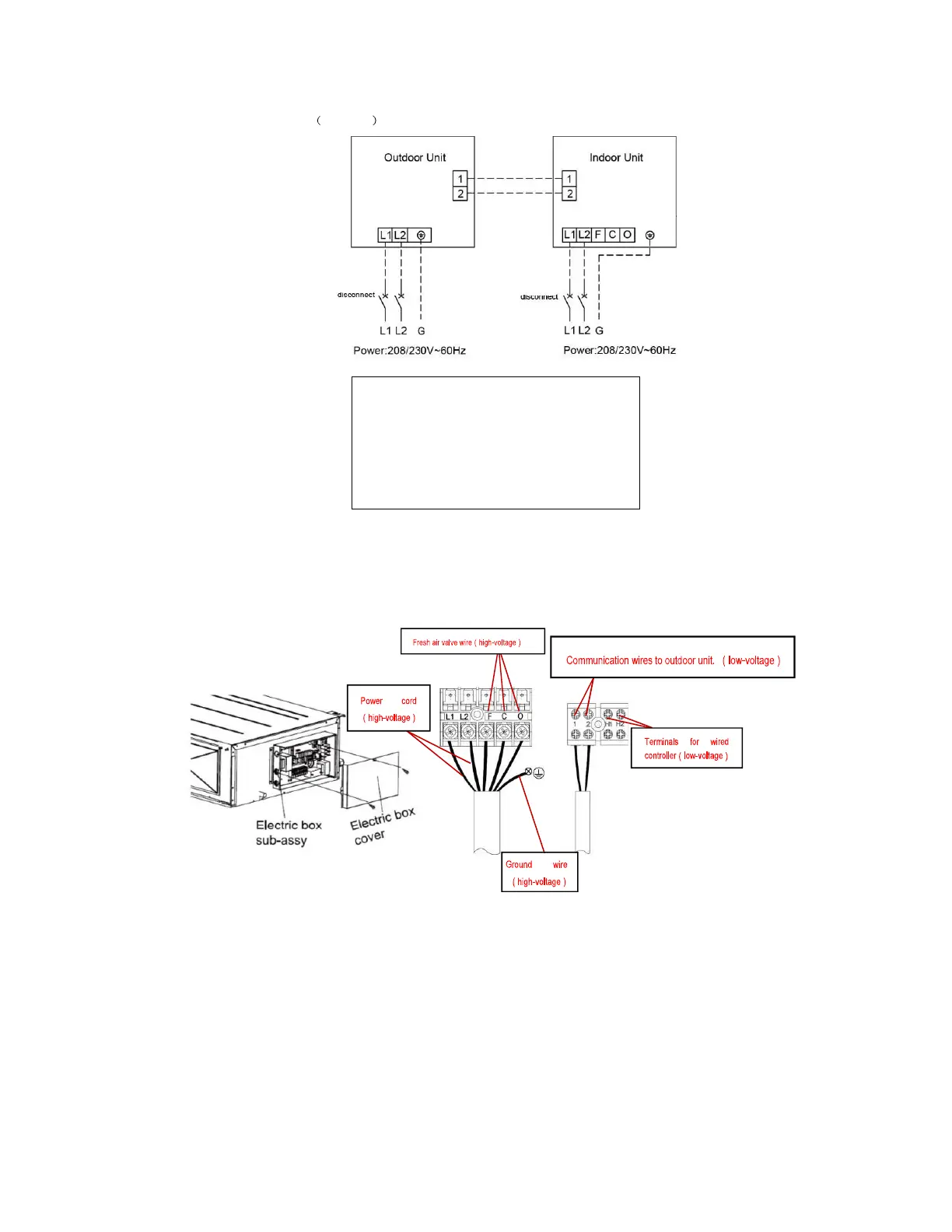
Single-phase units 36K-48K
Fig. 4.40
(2). Electric wiring of indoor unit side
Remove the electric box cover from the electric box sub-assembly and then connect the wire.
Refer to the unit MCA and MOP to determine the
correct wiring requirements. Electrical work
should be carried out in accordance with the
installation manual and local, state and National
Electric Code (NEC). Insufficient capacity or
incomplete electrical work may cause electrical
shock or fire.
Fig. 4.41
36
MS-SVN043-EN

Related product manuals