EasyManua.ls Logo

Trane RTAA-340 - Page 137

Trane RTAA-340
140 pages
Print Icon
To Next Page IconTo Next Page
To Next Page IconTo Next Page
To Previous Page IconTo Previous Page
To Previous Page IconTo Previous Page
Loading...
137
RTAA-IOM-3
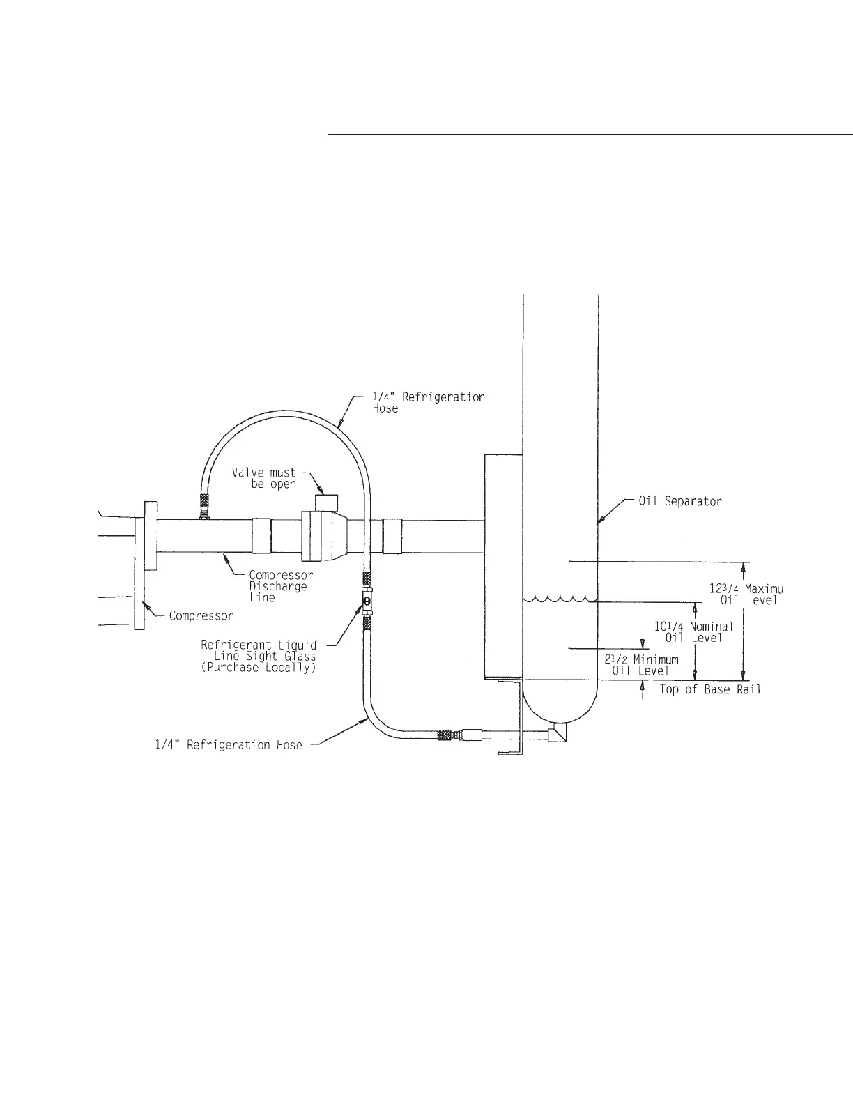
Figure 60
System Oil Level Specifications
Caution: Do not check oil level with
machine operating. Severe oil loss
will occur.
Caution: When checking oil level
wear protective clothing since oil
will spray when discharged.
Insure that the apex of the line above
the sight glass is as high as possible, to
eliminate liquid traps which can give
erroneous readings.

Table of Contents

Related product manuals