EasyManua.ls Logo

Trane RTAD 150 - Total Heat Recovery Unit Electrical Specification

Trane RTAD 150
84 pages
Print Icon
To Next Page IconTo Next Page
To Next Page IconTo Next Page
To Previous Page IconTo Previous Page
To Previous Page IconTo Previous Page
Loading...
RTAD-SVX01F-E4 51
Installation - Electrical
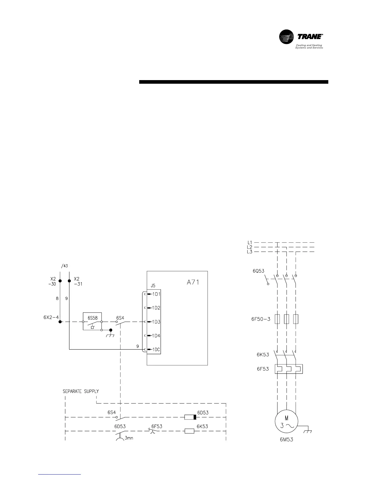
Figure 25 - Control wiring for pump
Specification for Total Heat Recovery
units
The heat recovery mode should be
validated by a dry contact supplied
by the field. The chiller will run in
heat recovery mode if the dry
contact is closed and if there is a
need for cooling. A 3-way valve will
protect the operation of the chiller
when the return hot water
temperature is too low. This 3-way
valve will not be used if a variable
speed pump is used. In this case,
the control module for Heat
Recovery (A70) will provide a 2-10V
output proportional to the water
flow.
Note: the hot water pump should
run at least 3 minutes after heat
recovery mode is off. During these
3 minutes, the water flow through
the heat recovery condenser will
gradually be reduced to switch
smoothly to the conventional
cooling mode. See Figure 25 for
details.

Table of Contents

Related product manuals